LUCKY YOU! Extra 10% Off Clearance | Use Code POTOGOLD10 Limited Time! Ends 3/21 Shop Now
CLOSE
Shipping to US Flag United States
Free shipping over $79
Moto Madness Sale | Get Up To 65% Off Parts & Gear Shop Now

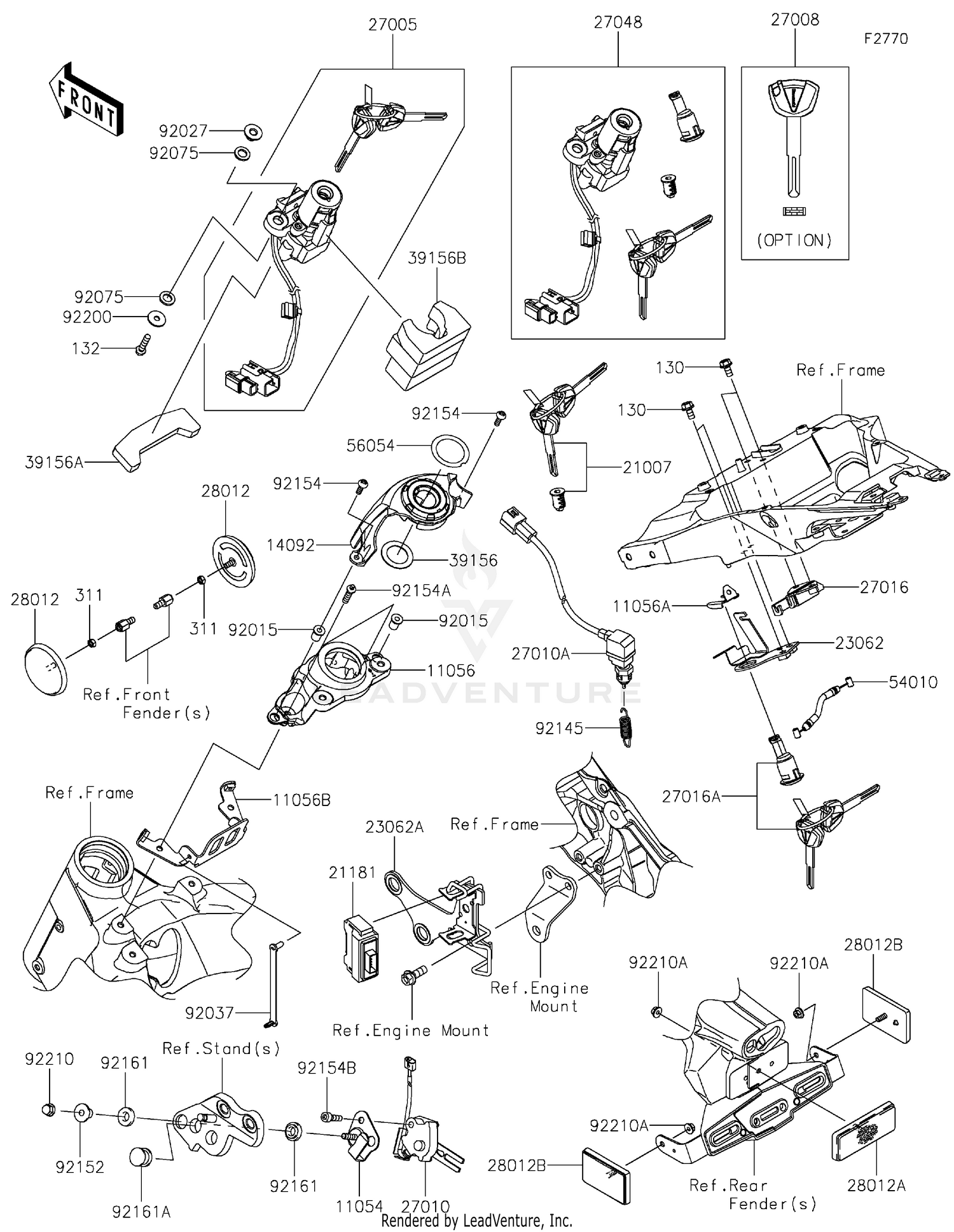
2026 Kawasaki Z1100 SE (ABS) Ignition Switch/Locks/Reflectors 2

Set this as my ride
Ignition Switch/Locks/Reflectors 2

WARNING Cancer and Reproductive Harm www.P65Warnings.ca.gov.

  • # Part Retail Our Price
    Stock Status Suggested Quantity
  • 132
    92153-1148 bolt,6x25 Supersedes: 132BA0625 (BOLT-FLANGED-SMALL,6X25) Price: $1.31
    In Stock
  • 311
    311AB0500 nut-hex,5mm Supersedes: 311C0500 (NUT-HEX) Price: $0.75
    In Stock
Added to your cart
CLOSE