Kickstart your Riding Season with Bike Prep and Riding Gear Shop Now
CLOSE
Shipping to US Flag United States
Free shipping over $79
Moto Madness Sale | Get Up To 65% Off Parts & Gear Shop Now

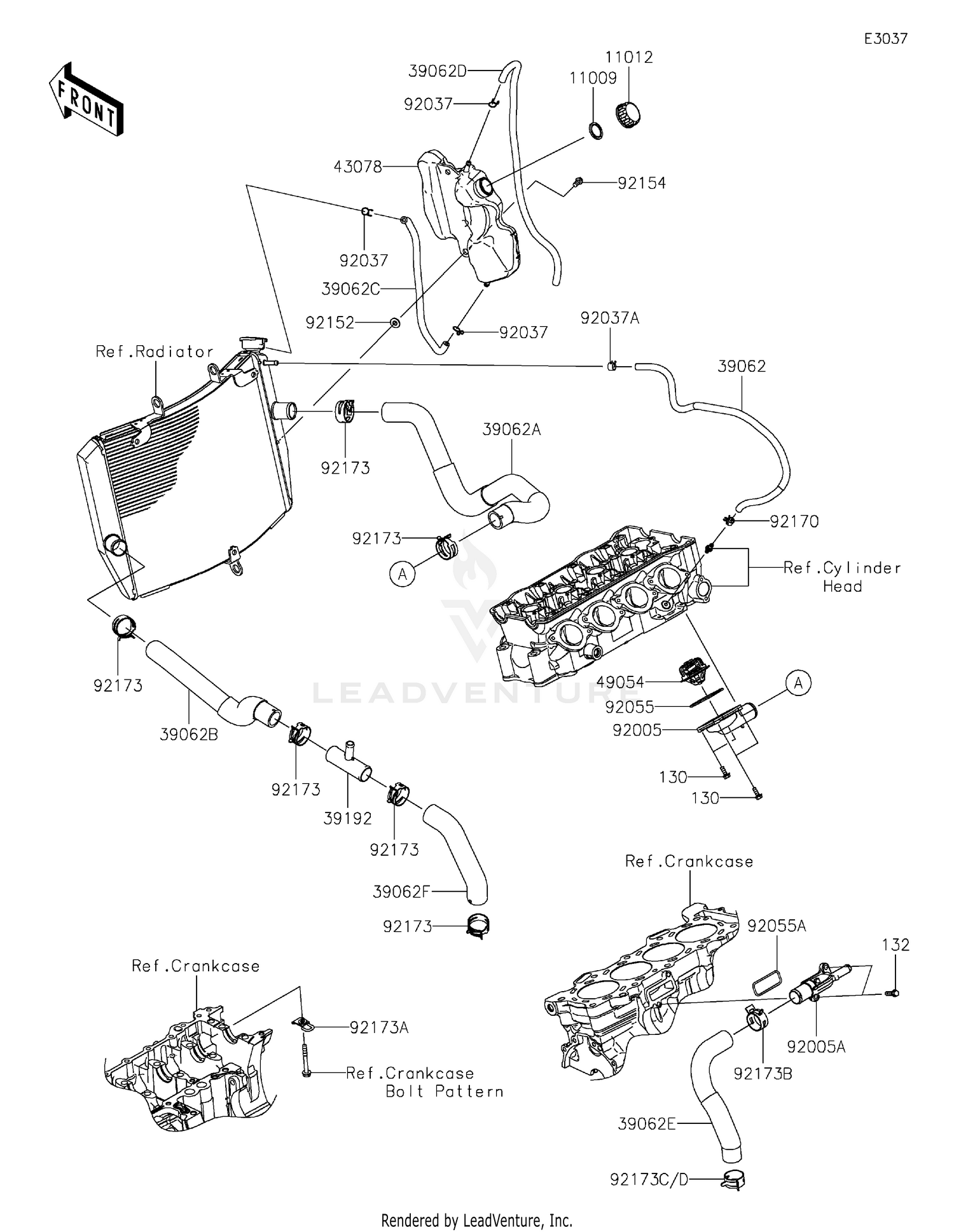
2026 Kawasaki NINJA ZX-6R Water Pipe

Set this as my ride
Water Pipe

WARNING Cancer and Reproductive Harm www.P65Warnings.ca.gov.

All 2026 Kawasaki NINJA ZX-6R Part Groups
Added to your cart
CLOSE