Kickstart your Riding Season with Bike Prep and Riding Gear Shop Now
CLOSE
Shipping to US Flag United States
Free shipping over $79
Moto Madness Sale | Get Up To 65% Off Parts & Gear Shop Now

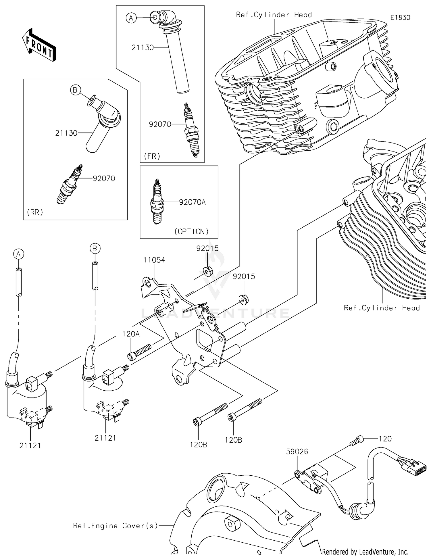
2023 Kawasaki VULCAN 900 CLASSIC LT - VN900DPFNN Ignition System 2

Set this as my ride
Ignition System 2

WARNING Cancer and Reproductive Harm www.P65Warnings.ca.gov.

All 2023 Kawasaki VULCAN 900 CLASSIC LT - VN900DPFNN Part Groups
Added to your cart
CLOSE