BOGOS End Tomorrow! | Buy One Get One Deals Shop Now
CLOSE
Shipping to US Flag United States
Free shipping over $79
My Ride: 2003 Harley Davidson Ultra Classic Electra Glide - FLHTCUI
Fast Cash Week Ends Tomorrow! | Earn $25 Fast Cash When You Spend $199 Learn More

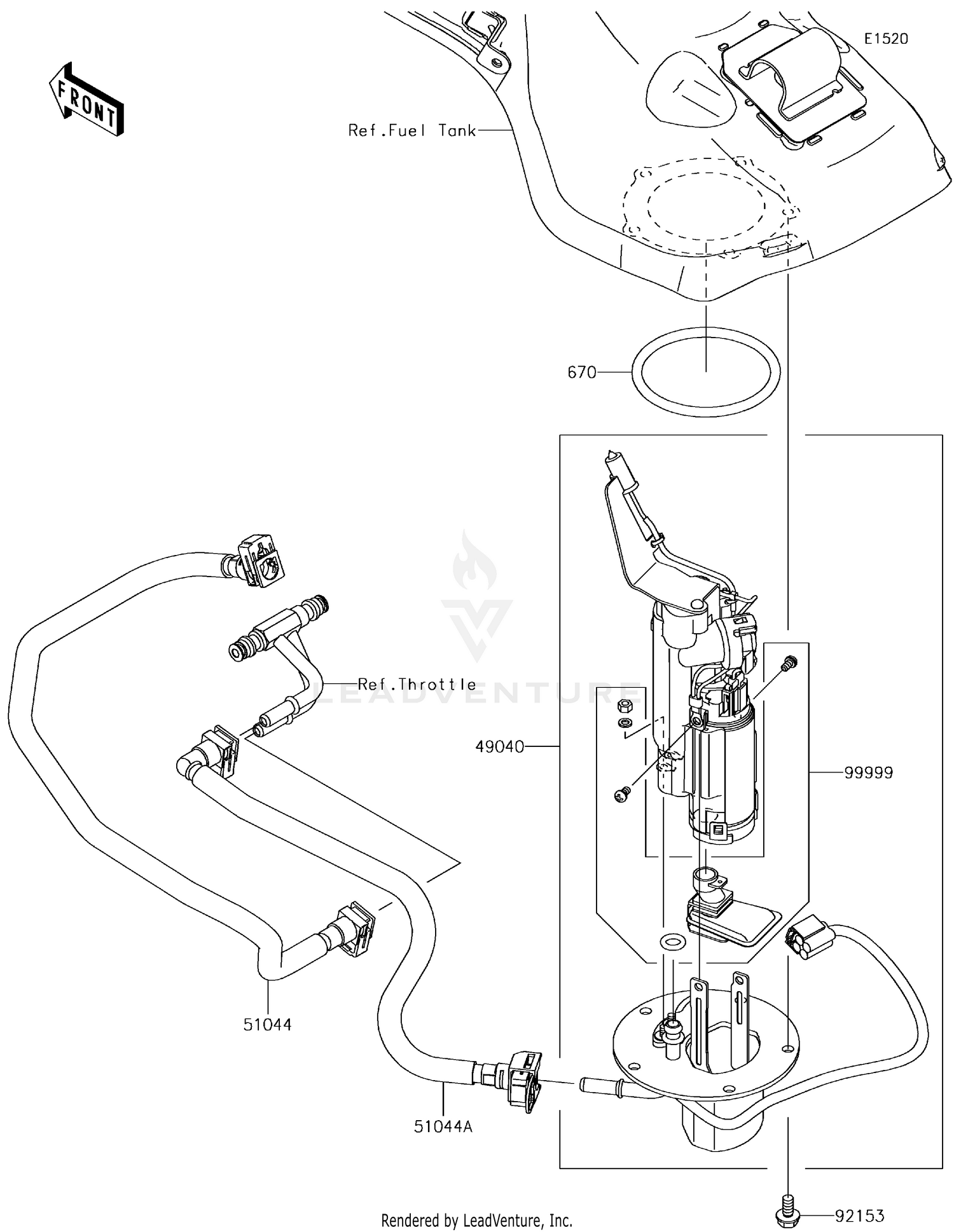
2017 Kawasaki NINJA H2 Fuel Pump

Set this as my ride
Fuel Pump

WARNING Cancer and Reproductive Harm www.P65Warnings.ca.gov.

Added to your cart
CLOSE