LUCKY YOU! Extra 10% Off Clearance | Use Code POTOGOLD10 Limited Time! Ends 3/21 Shop Now
CLOSE
Shipping to US Flag United States
Free shipping over $79
My Ride: 2014 Can-Am OUTLANDER MAX 400
Moto Madness Sale | Get Up To 65% Off Parts & Gear Shop Now

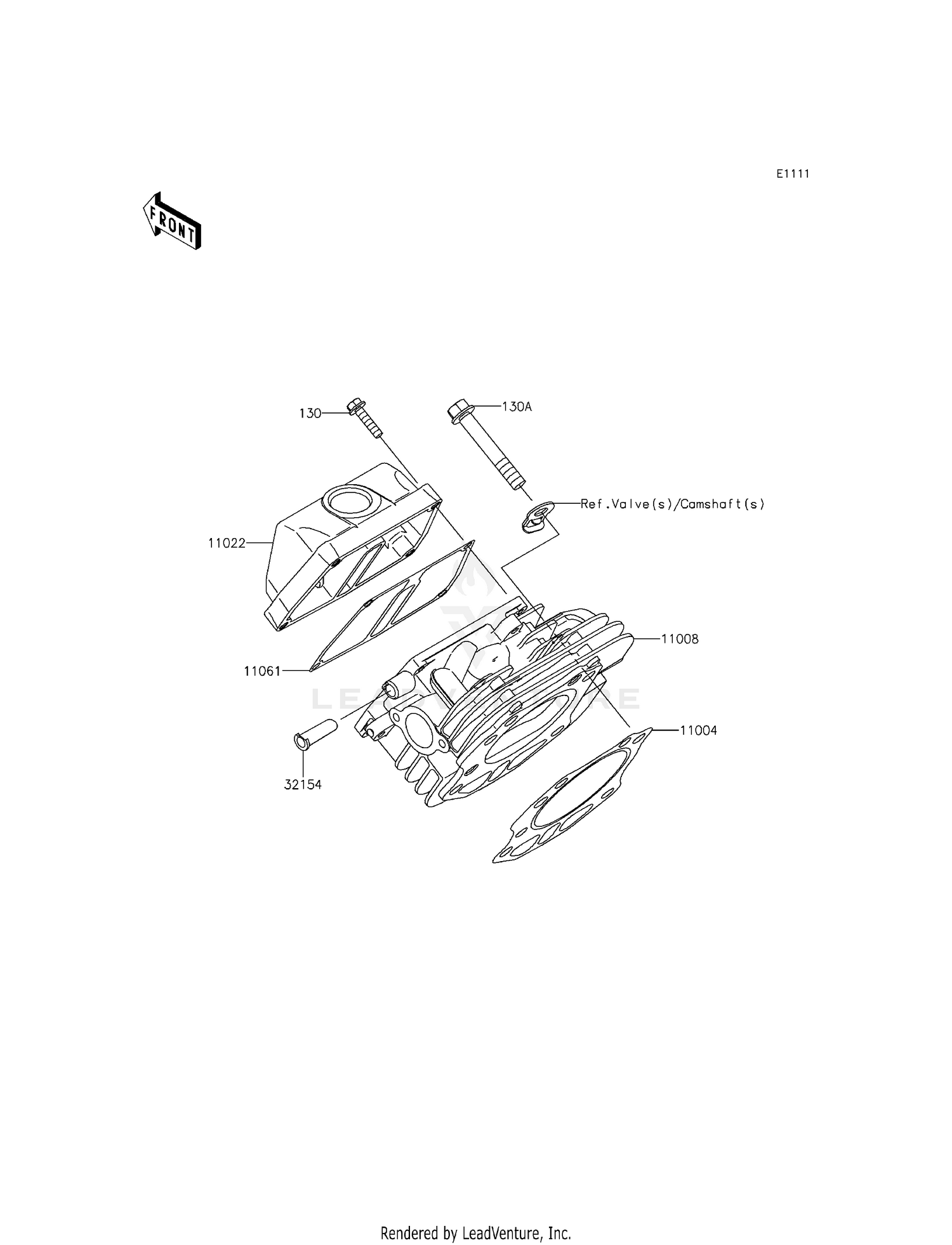
2014 Kawasaki MULE 610 4X4 XC CAMO (KAF400EEF) CYLINDER HEAD

Set this as my ride
CYLINDER HEAD

WARNING Cancer and Reproductive Harm www.P65Warnings.ca.gov.

Added to your cart
CLOSE