Kickstart your Riding Season with Bike Prep and Riding Gear Shop Now
CLOSE
Shipping to US Flag United States
Free shipping over $79
My Ride: 2011 Can-Am OUTLANDER MAX 650
Moto Madness Sale | Get Up To 65% Off Parts & Gear Shop Now

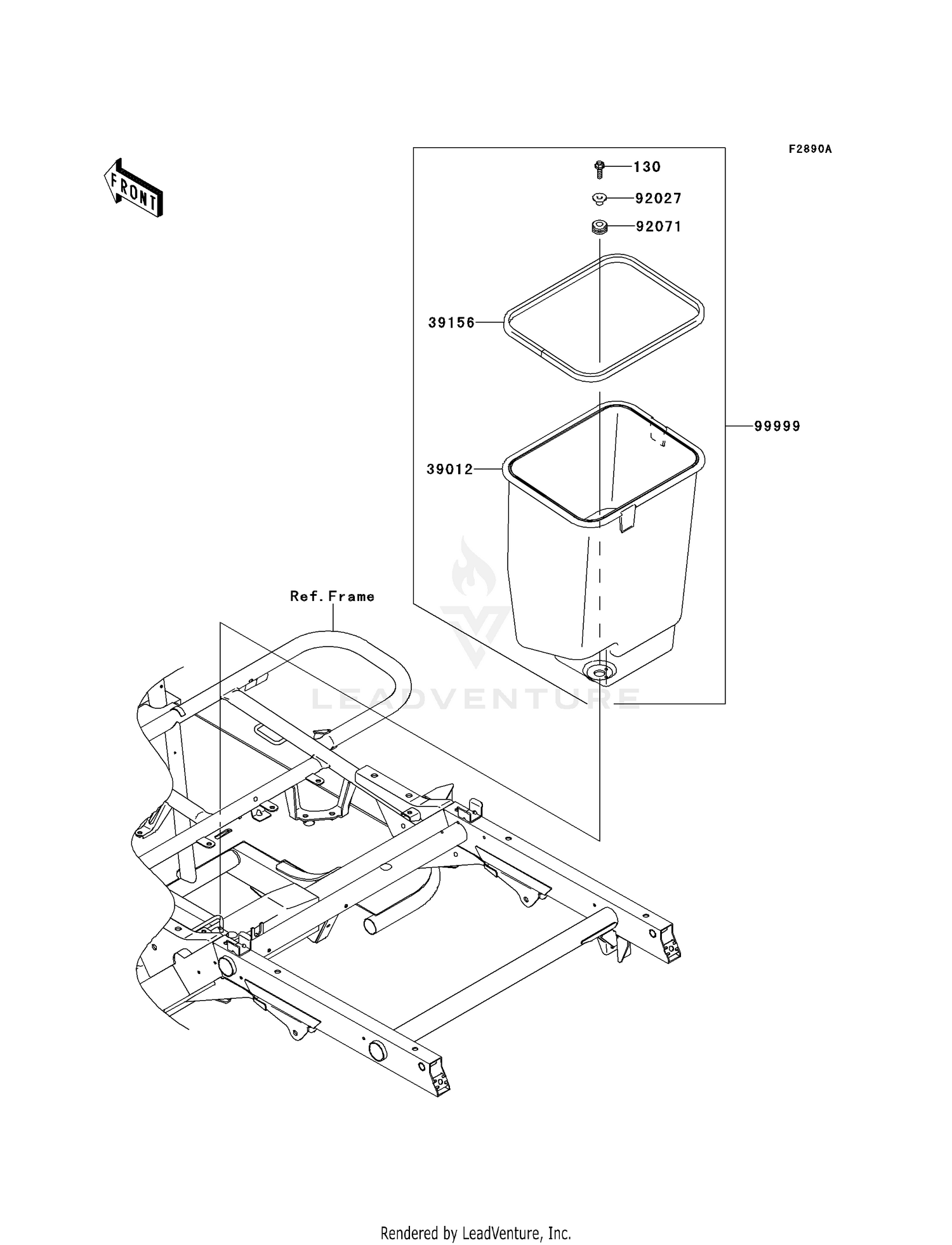
2014 Kawasaki MULE 610 (KAF400AEF) OPTIONAL PARTS (FRAME)

Set this as my ride
OPTIONAL PARTS (FRAME)

WARNING Cancer and Reproductive Harm www.P65Warnings.ca.gov.

Added to your cart
CLOSE