Tire Rebates! Get Up To $70 Back Shop Now
CLOSE
Shipping to US Flag United States
Free shipping over $79
My Ride: 2012 Triumph Scrambler
Moto Madness Sale | Get Up To 65% Off Parts & Gear Shop Now

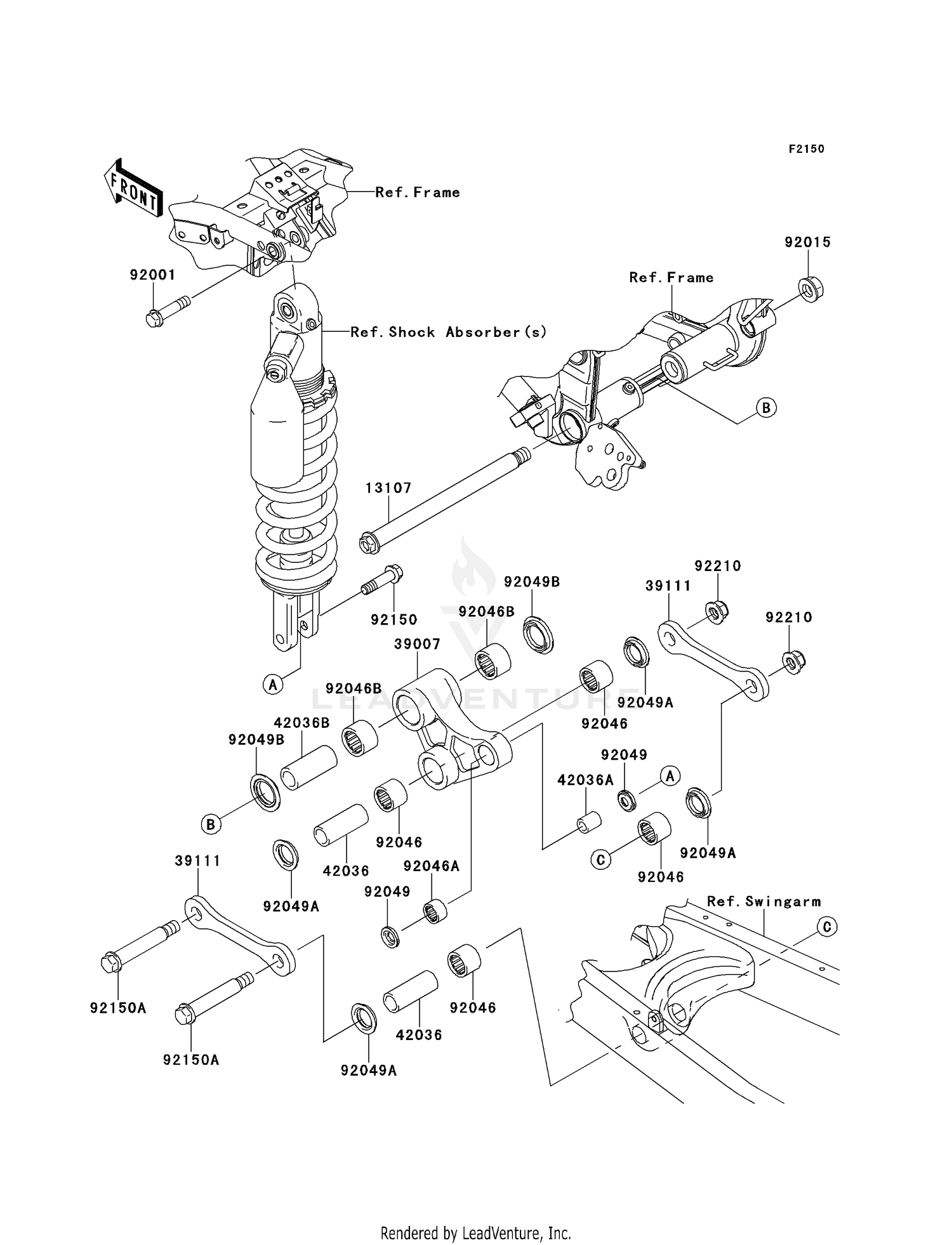
2014 Kawasaki KLX250S REAR SUSPENSION

Set this as my ride
REAR SUSPENSION

WARNING Cancer and Reproductive Harm www.P65Warnings.ca.gov.

Added to your cart
CLOSE