Kickstart your Riding Season with Bike Prep and Riding Gear Shop Now
CLOSE
Shipping to US Flag United States
Free shipping over $79
Moto Madness Sale | Get Up To 65% Off Parts & Gear Shop Now

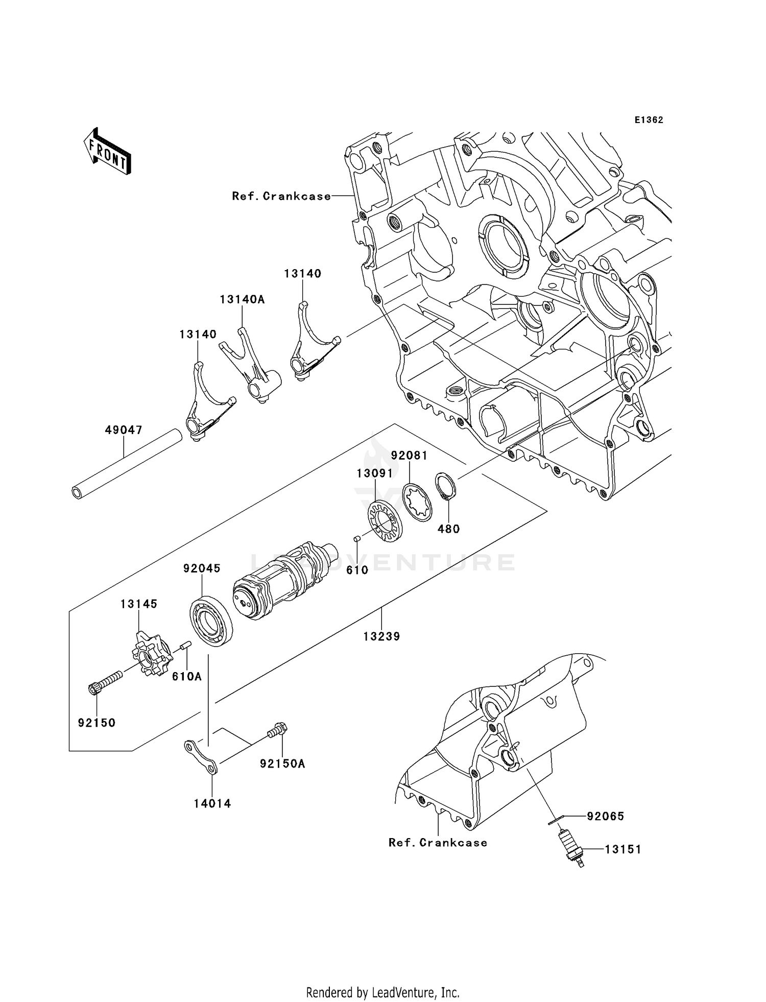
2013 Kawasaki VULCAN 900 CLASSIC - VN900BDFA GEAR CHANGE DRUM/SHIFT FORK(S)

Set this as my ride
GEAR CHANGE DRUM/SHIFT FORK(S)

WARNING Cancer and Reproductive Harm www.P65Warnings.ca.gov.

Added to your cart
CLOSE