Kickstart your Riding Season with Bike Prep and Riding Gear Shop Now
CLOSE
Shipping to US Flag United States
Free shipping over $79
My Ride: 2013 Can-Am OUTLANDER MAX 650
Moto Madness Sale | Get Up To 65% Off Parts & Gear Shop Now

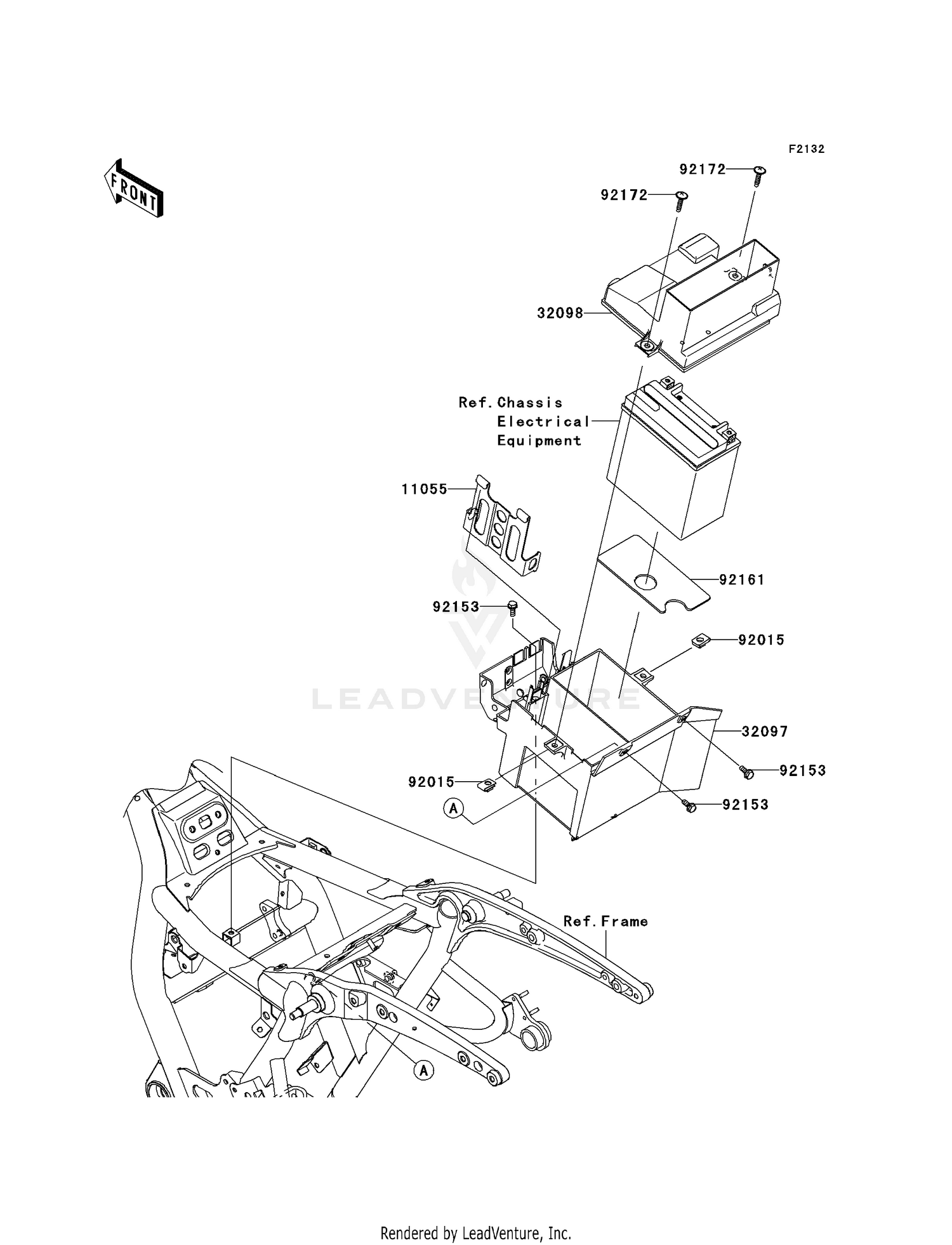
2012 Kawasaki VULCAN 1700 CLASSIC - VN1700ECF BATTERY CASE

Set this as my ride
BATTERY CASE

WARNING Cancer and Reproductive Harm www.P65Warnings.ca.gov.

Added to your cart
CLOSE