BOGOS | Buy One Get One Deals Shop Now
CLOSE
Shipping to US Flag United States
Free shipping over $79
Fast Cash Week | Earn $25 Fast Cash When You Spend $199 Learn More

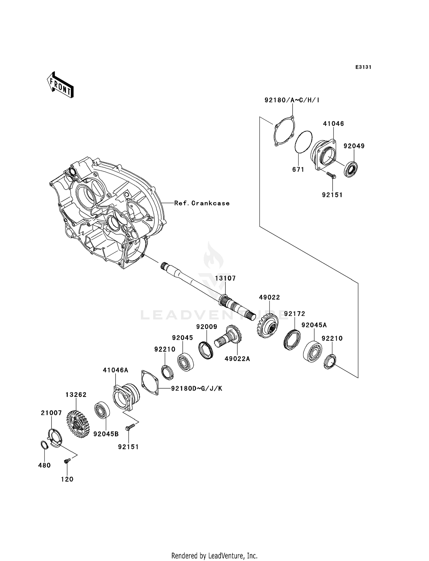
2011 Kawasaki BRUTE FORCE 650 4X4 SOLID REAR FRONT BEVEL GEAR

Set this as my ride
FRONT BEVEL GEAR

WARNING Cancer and Reproductive Harm www.P65Warnings.ca.gov.

Added to your cart
CLOSE