Kickstart your Riding Season with Bike Prep and Riding Gear Shop Now
CLOSE
Shipping to US Flag United States
Free shipping over $79
Fast Cash Week | Earn $10 When you Spend $99 + $25 When You Spend $199 Shop Now

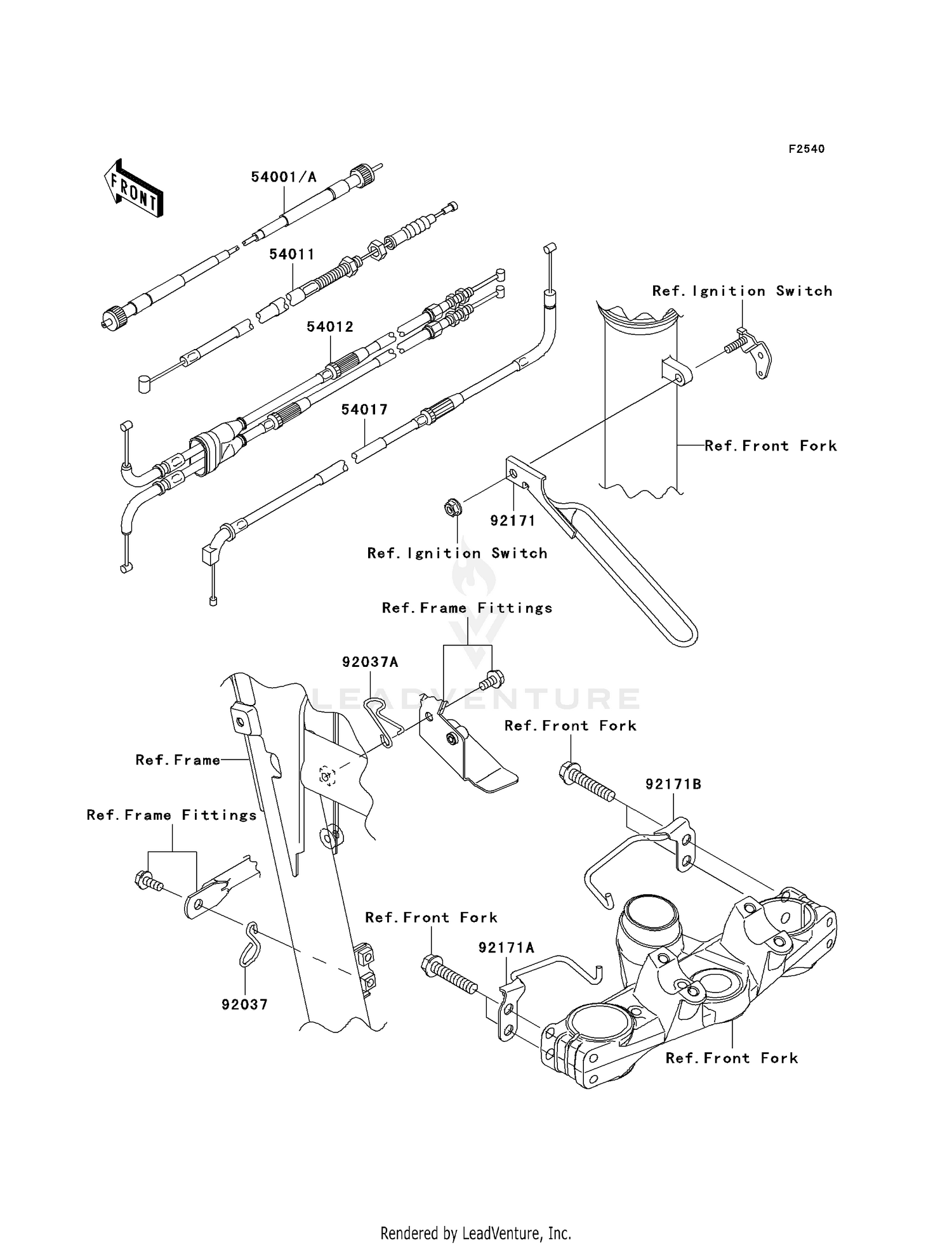
2010 Kawasaki KLR650 CABLES

Set this as my ride
CABLES

WARNING Cancer and Reproductive Harm www.P65Warnings.ca.gov.

Added to your cart
CLOSE