BOGOS End Today! | Buy One Get One Deals Shop Now
CLOSE
Shipping to US Flag United States
Free shipping over $79
My Ride: 2003 Harley Davidson Ultra Classic Electra Glide - FLHTCUI
Fast Cash Week Ends Today! | Earn $25 Fast Cash When You Spend $199 Learn More

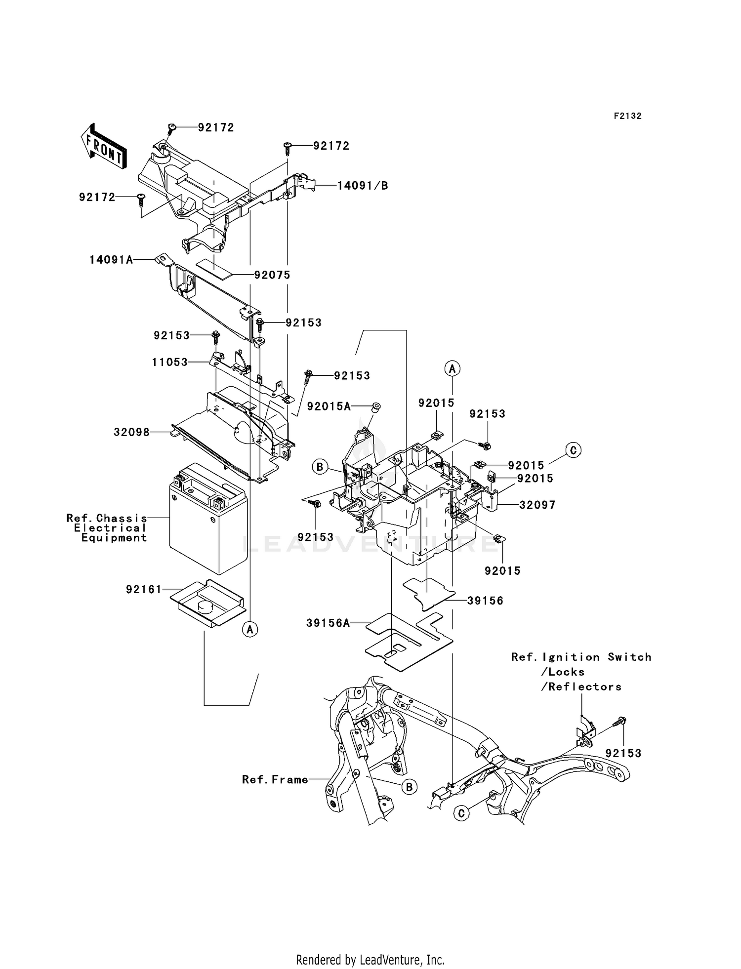
2004 Kawasaki VULCAN 2000 - VN2000A BATTERY CASE

Set this as my ride
BATTERY CASE

WARNING Cancer and Reproductive Harm www.P65Warnings.ca.gov.

Added to your cart
CLOSE