Kickstart your Riding Season with Bike Prep and Riding Gear Shop Now
CLOSE
Shipping to US Flag United States
Free shipping over $79
My Ride: 2012 Can-Am OUTLANDER MAX 400
Moto Madness Sale | Get Up To 65% Off Parts & Gear Shop Now

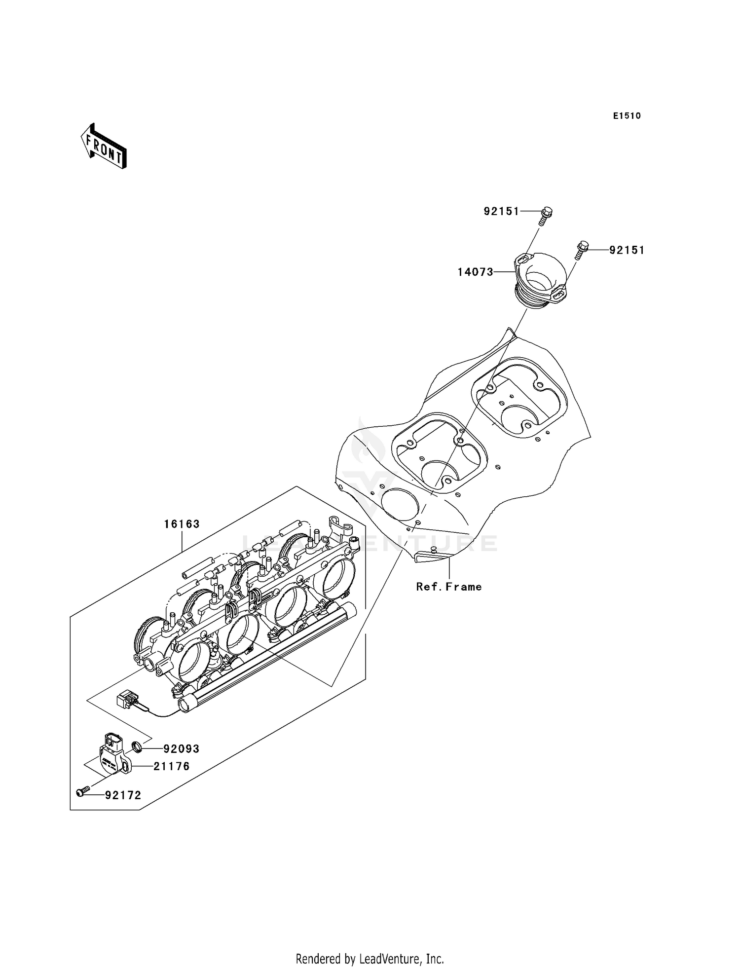
2000 Kawasaki ZX-12R THROTTLE

Set this as my ride
THROTTLE

WARNING Cancer and Reproductive Harm www.P65Warnings.ca.gov.

  • # Part Retail Our Price
    Stock Status Suggested Quantity
  • 14073
    14073-1746 duct,funnel Retail: $72.46 Price: See price in cart
    Expected to Ship in 4-9 Days
  • 16163
    16163-1114 throttle-assy Supersedes: 16163-1104 (THROTTLE-ASSY)
    This part is currently unavailable.
  • 21176
    21176-1083 sensor
    This part is currently unavailable.
  • 92093
    92093-0064 seal
    This part is currently unavailable.
  • 92151
    92153-1598 bolt,flanged,6x22 Supersedes: 92151-1236 (BOLT,6X22) Price: $2.47
    Expected to Ship in 4-9 Days
  • 92172
    92172-0255 screw Price: $4.98
    Expected to Ship in 4-9 Days
Added to your cart
CLOSE