LUCKY YOU! Extra 10% Off Clearance | Use Code POTOGOLD10 Limited Time! Ends 3/21 Shop Now
CLOSE
Shipping to US Flag United States
Free shipping over $79
My Ride: 2017 KTM 500EXCF
Moto Madness Sale | Get Up To 65% Off Parts & Gear Shop Now

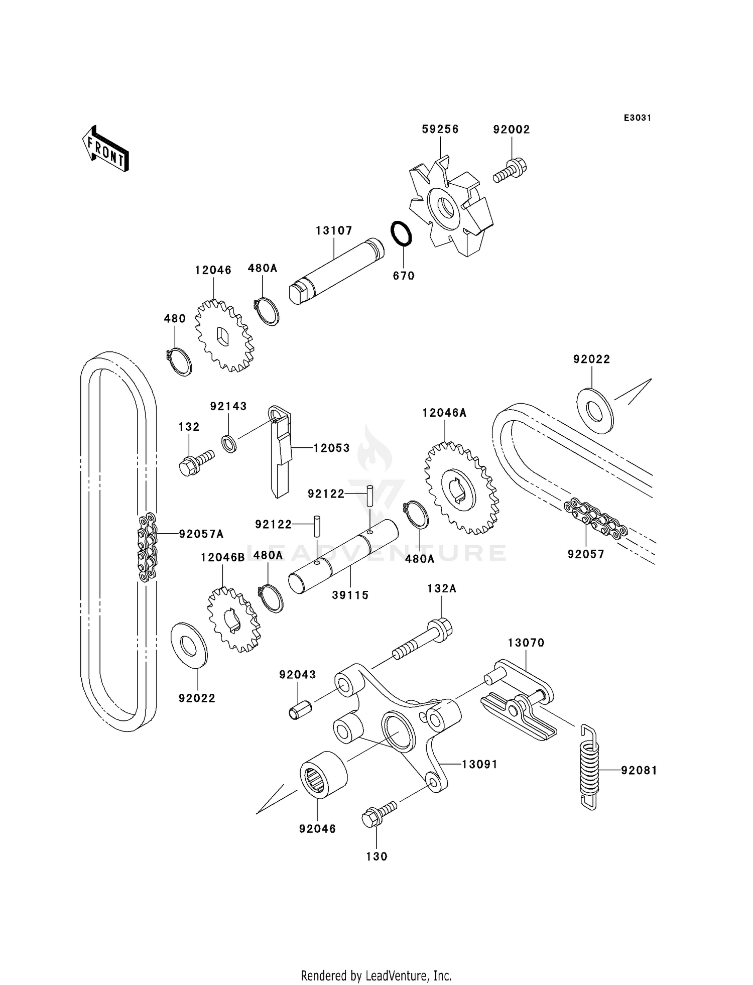
2000 Kawasaki VULCAN 1500 DRIFTER - VN1500J WATER PUMP

Set this as my ride
WATER PUMP

WARNING Cancer and Reproductive Harm www.P65Warnings.ca.gov.

Added to your cart
CLOSE