Kickstart your Riding Season with Bike Prep and Riding Gear Shop Now
CLOSE
Shipping to US Flag United States
Free shipping over $79
My Ride: 2011 Can-Am OUTLANDER MAX 650
Moto Madness Sale | Get Up To 65% Off Parts & Gear Shop Now

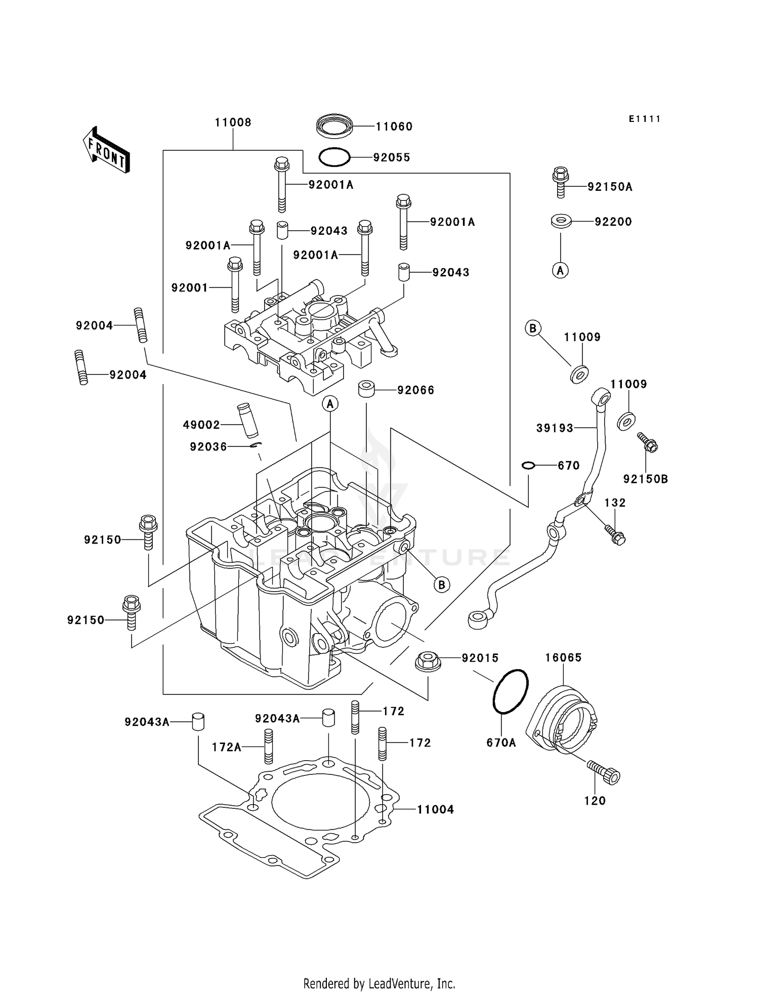
1996 Kawasaki KLX650R CYLINDER HEAD

Set this as my ride
CYLINDER HEAD

WARNING Cancer and Reproductive Harm www.P65Warnings.ca.gov.

Added to your cart
CLOSE