LUCKY YOU! Extra 10% Off Clearance | Use Code POTOGOLD10 Limited Time! Ends 3/21 Shop Now
CLOSE
Shipping to US Flag United States
Free shipping over $79
Moto Madness Sale | Get Up To 65% Off Parts & Gear Shop Now

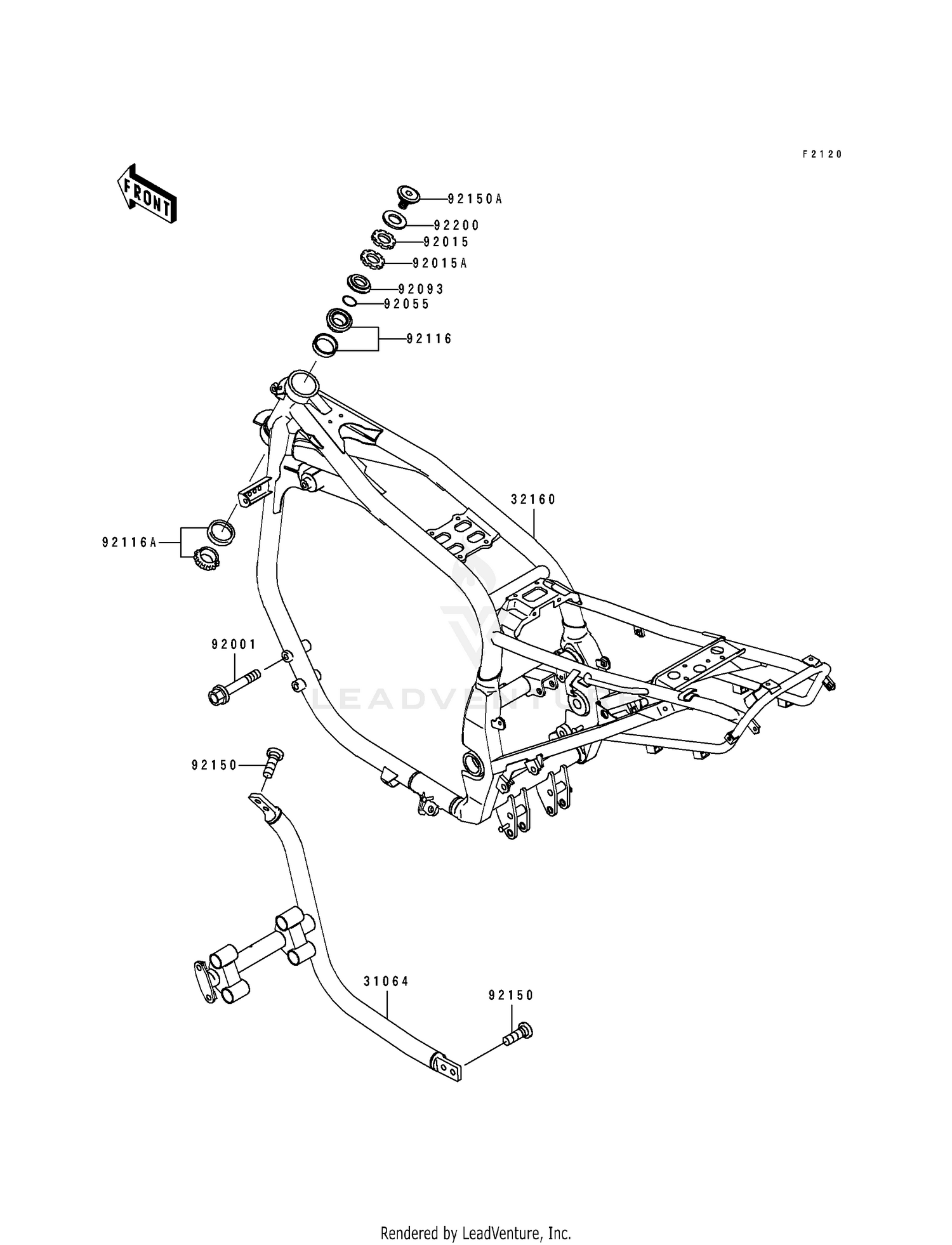
1996 Kawasaki GPZ - ZX1100 (ABS) FRAME

Set this as my ride
FRAME

WARNING Cancer and Reproductive Harm www.P65Warnings.ca.gov.

  • # Part Retail Our Price
    Stock Status Suggested Quantity
  • 31064
    31064-1169 pipe-comp,downtube,rh
    This part is currently unavailable.
  • 32160
    32160-1407 frame-comp
    This part is currently unavailable.
  • 92001
    Expected to Ship in 4-9 Days
  • 92015
    92015-1417 nut,28mm,t=6
    This part is currently unavailable.
  • 92015A
    92015-1976 nut,steering stem,28m
    This part is currently unavailable.
  • 92055
    92055-1470 ring-o Price: $5.04
    Expected to Ship in 4-9 Days
  • 92093
    92093-1383 seal
    This part is currently unavailable.
  • 92116
    92116-1067 bearing-roller,hr320/ Retail: $73.34 Price: See price in cart
    Expected to Ship in 4-9 Days
  • 92116A
    92116-1069 bearing-roller,hi-cap32006jrrs Retail: $64.45 Price: See price in cart
    In Stock
  • 92150
    Expected to Ship in 4-9 Days
  • 92150A
    92150-1883 bolt,steering,16x24
    This part is currently unavailable.
  • 92200
    92200-1273 washer,16x41x4.5 Retail: $11.93 Price: $10.98
    Expected to Ship in 4-9 Days
Added to your cart
CLOSE