LUCKY YOU! Extra 10% Off Clearance | Use Code POTOGOLD10 Limited Time! Ends 3/21 Shop Now
CLOSE
Shipping to US Flag United States
Free shipping over $79
Moto Madness Sale | Get Up To 65% Off Parts & Gear Shop Now

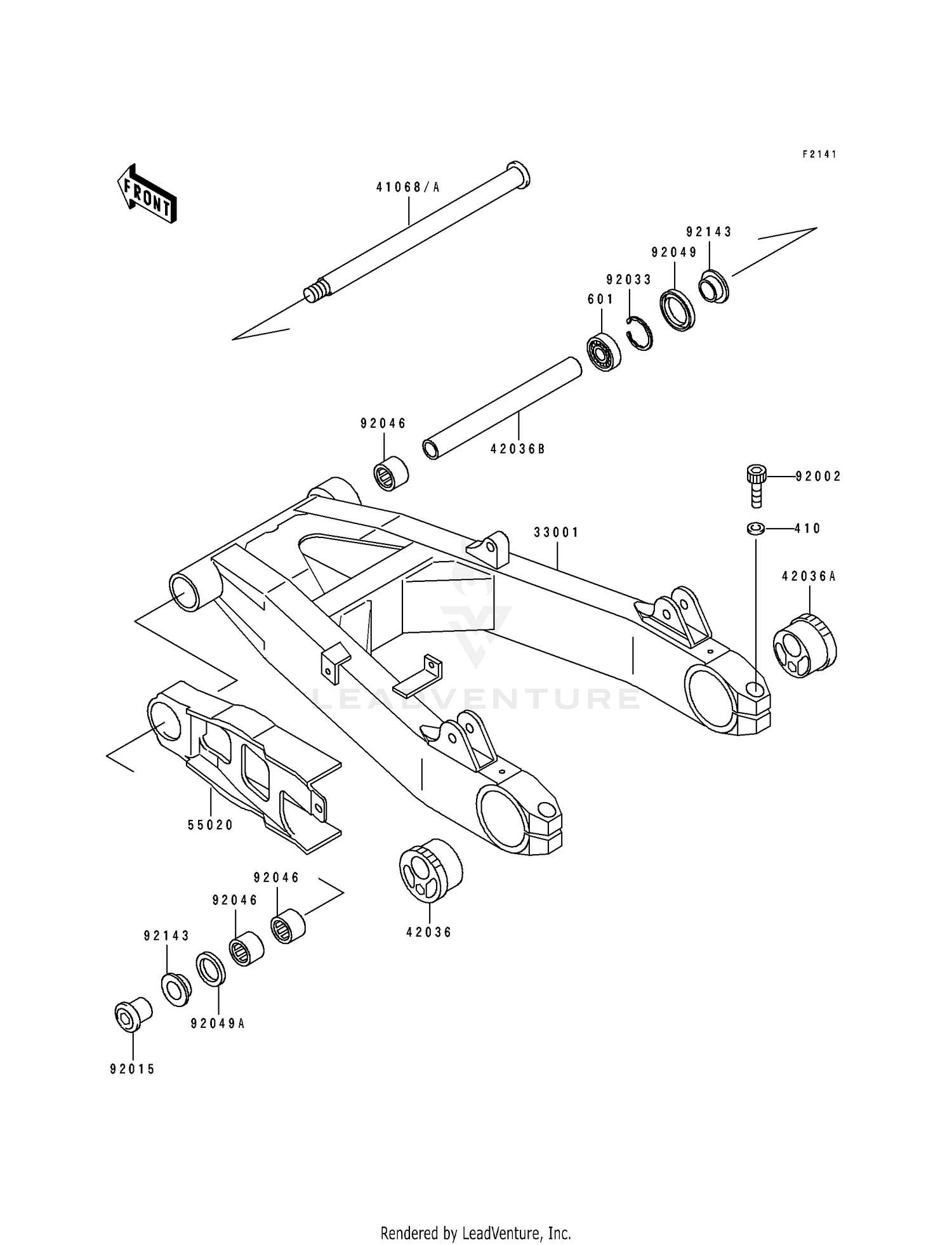
1994 Kawasaki ZR1100 ZEPHYR ZR1100-A3 SWINGARM

Set this as my ride
SWINGARM

WARNING Cancer and Reproductive Harm www.P65Warnings.ca.gov.

  • # Part Retail Our Price
    Stock Status Suggested Quantity
  • 33001
    33001-1398-CE arm-comp-swing,silver
    This part is currently unavailable.
  • 41068A
    41068-1354 axle,rr Retail: $116.29 Price: See price in cart
    Expected to Ship in 4-9 Days
  • 42036
    42036-1237 sleeve,rear axle,lh
    This part is currently unavailable.
  • 42036A
    42036-1265 sleeve,rear axle,rh
    This part is currently unavailable.
  • 42036B
    42036-1266 sleeve,swing arm,l=20
    This part is currently unavailable.
  • 55020
    55020-1420 guard,chain
    This part is currently unavailable.
  • 92002
    Expected to Ship in 4-9 Days
  • 92015
    92015-1835 nut,16mm
    This part is currently unavailable.
  • 92033
    In Stock
  • 92046
    92046-1111 bearing-needle,bm2817 Retail: $21.86 Price: See price in cart
    Expected to Ship in 4-9 Days
  • 92049
    92049-1314 seal-oil,mhsa25x42x6 Retail: $13.75 Price: $12.65
    Expected to Ship in 4-9 Days
  • 92049A
    Expected to Ship in 4-9 Days
  • 92143
    92152-3997 collar,swing arm,l=12.5 Supersedes: 92143-1227 (COLLAR,SWING ARM,L=12.5) Price: $10.32
    Expected to Ship in 4-9 Days
  • 410
    410AA1000 washer-plain-small,10mm Supersedes: 410B1000 (W-PLAIN-S) Price: $1.03
    In Stock
  • 601
    92045-0076 bearing-ball,#6004 Supersedes: 601A6004 (BEARING-BALL,#6004)
    This part is currently unavailable.
Added to your cart
CLOSE