Tire Rebates! Get Up To $70 Back Shop Now
CLOSE
Shipping to US Flag United States
Free shipping over $79
My Ride: 2012 Triumph Scrambler
Moto Madness Sale | Get Up To 65% Off Parts & Gear Shop Now

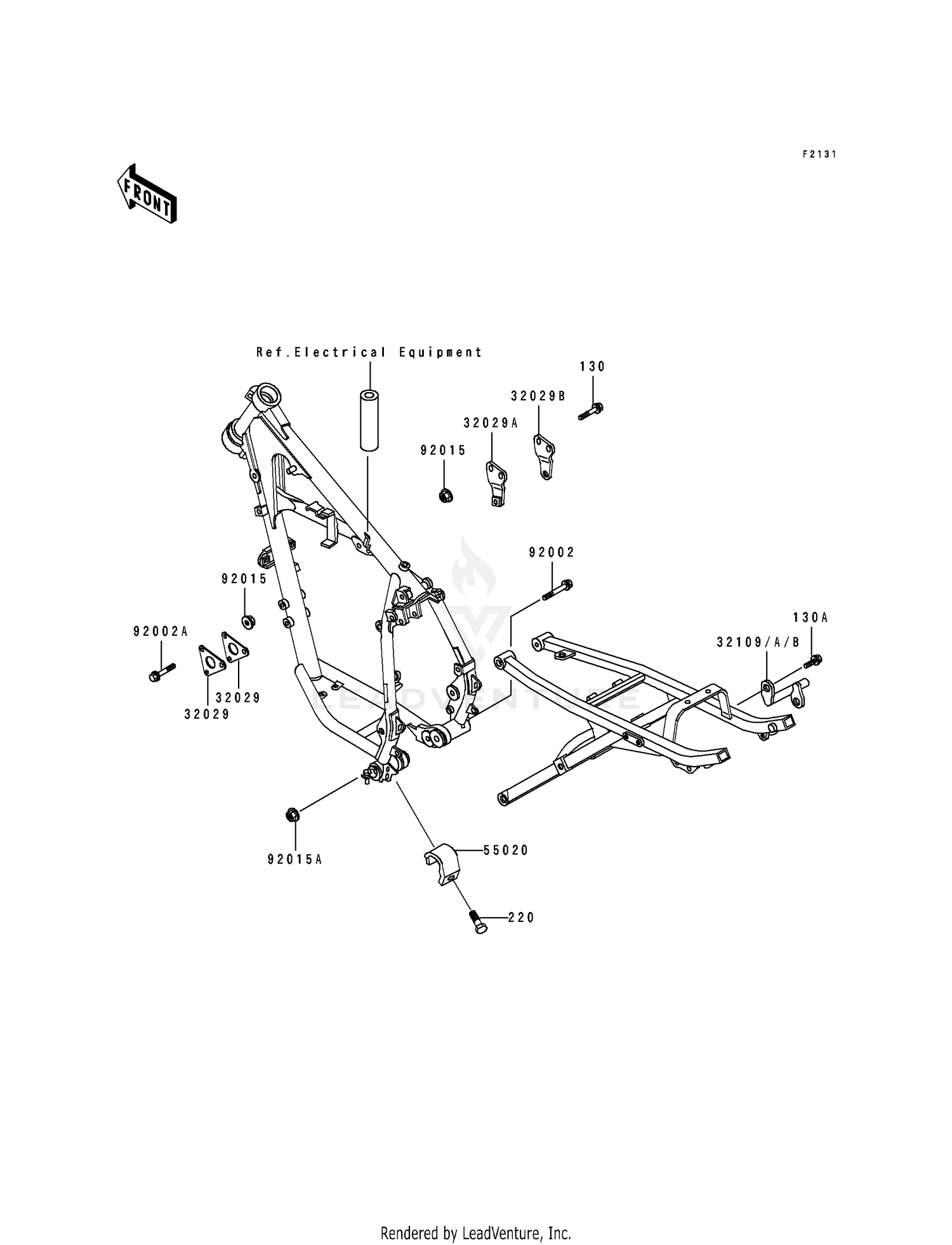
1994 Kawasaki KLR250 FRAME FITTINGS

Set this as my ride
FRAME FITTINGS

WARNING Cancer and Reproductive Harm www.P65Warnings.ca.gov.

  • # Part Retail Our Price
    Stock Status Suggested Quantity
  • 32029
    32029-1352 bracket-engine,fr Retail: $20.98 Price: See price in cart
    Expected to Ship in 4-9 Days
  • 32029A
    32029-1353 bracket-engine,lh
    This part is currently unavailable.
  • 32029B
    32029-1354 bracket-engine,rh
    This part is currently unavailable.
  • 32109B
    32109-1239-45 grip-frame,rh,violet
    This part is currently unavailable.
  • 55020
    55020-1174 guard,chain
    This part is currently unavailable.
  • 92002
    92002-1347 bolt,flanged,12x135 Retail: $20.75 Price: See price in cart
    In Stock
  • 92002A
    92002-1349 bolt,flanged,8x65 Supersedes: 92001-1375 (BOLT,FLANGED,8X70) Price: $5.55
    Expected to Ship in 4-9 Days
  • 92015
    In Stock
  • 92015A
    92015-1426 nut,12mm Supersedes: 92015-1368 (NUT,12MM) Price: $8.43
    In Stock
  • 130
    130BA0845 bolt-flanged,8x45 Supersedes: 130G0845 (BOLT-FLANGED,8X45) Price: $1.85
    In Stock
  • 130A
    Expected to Ship in 4-9 Days
  • 220
    220AA0510 screw-pan-cros,5x10 Supersedes: 220D0510 (SCREW-PAN-CROSS,5X10) Price: $1.24
    In Stock
Added to your cart
CLOSE