FMF Exhausts Up To 10% Off Shop Now
CLOSE
Shipping to US Flag United States
Free shipping over $79
Bargain Bin Blowout Ends Today! | Save 40-90% Off! Shop Now

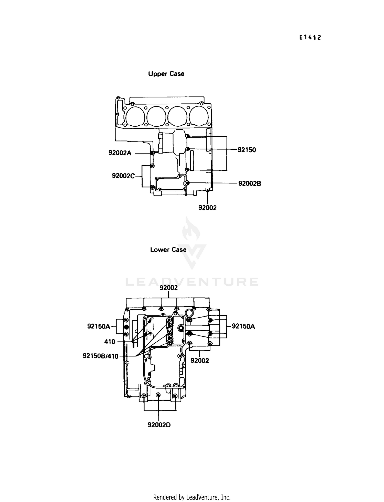
1990 Kawasaki ZX-10 CRANKCASE BOLT PATTERN

Set this as my ride
CRANKCASE BOLT PATTERN

WARNING Cancer and Reproductive Harm www.P65Warnings.ca.gov.

  • # Part Retail Our Price
    Stock Status Suggested Quantity
  • 92002
    Expected to Ship in 4-9 Days
  • 92002A
    92002-1054 bolt,6x55
    This part is currently unavailable.
  • 92002B
    92002-1306 bolt,6x85
    This part is currently unavailable.
  • 92002C
    Expected to Ship in 4-9 Days
  • 92002D
    92002-1654 bolt,6x120 Retail: $7.04 Price: $0.77
    In Stock
  • 92150
    Expected to Ship in 4-9 Days
  • 92150A
    92150-1163 bolt,8x90 Retail: $10.24 Price: $3.77
    In Stock
  • 92150B
    92150-1164 bolt,8x140
    This part is currently unavailable.
  • 410
    410AA0800 washer-plain-small,8mm Supersedes: 410B0800 (WASHER-PLAIN-SMALL,8MM) Price: $1.68
    In Stock
Added to your cart
CLOSE