Kickstart your Riding Season with Bike Prep and Riding Gear Shop Now
CLOSE
Shipping to US Flag United States
Free shipping over $79
Moto Madness Sale | Get Up To 65% Off Parts & Gear Shop Now

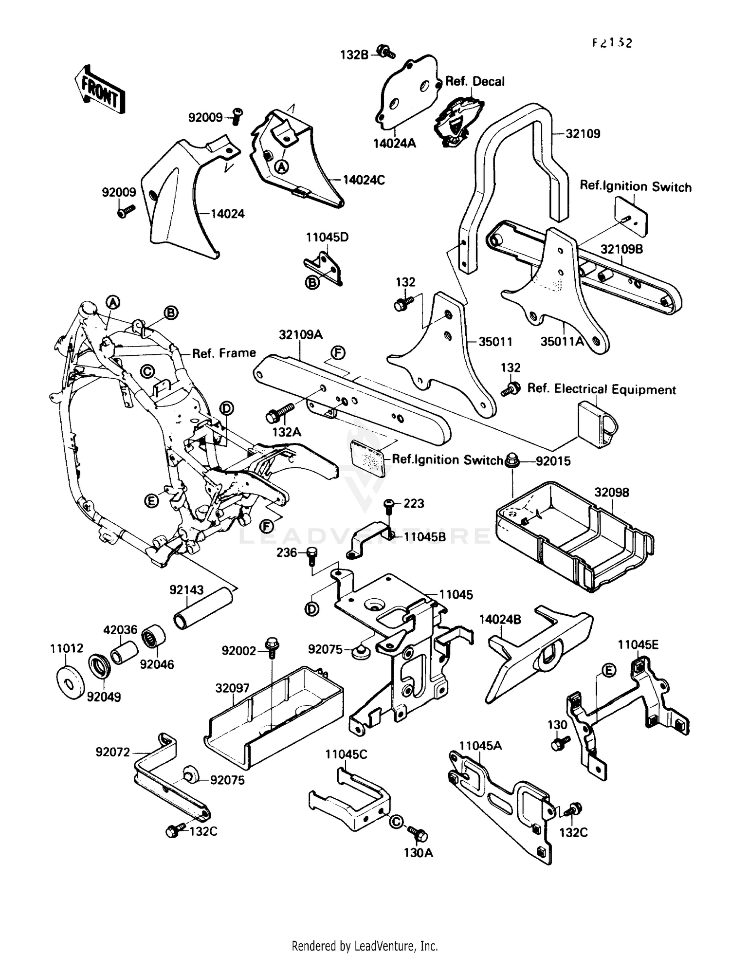
1990 Kawasaki VULCAN 88SE - VN1500B BATTERY CASE

Set this as my ride
BATTERY CASE

WARNING Cancer and Reproductive Harm www.P65Warnings.ca.gov.

  • # Part Retail Our Price
    Stock Status Suggested Quantity
  • 11012
    Expected to Ship in 4-9 Days
  • 11045
    11045-1451 bracket,electric base
    This part is currently unavailable.
  • 11045A
    11045-1452 bracket,igniter
    This part is currently unavailable.
  • 11045B
    11045-1453 bracket,junction box
    This part is currently unavailable.
  • 11045C
    11045-1454 bracket,fuel pump
    This part is currently unavailable.
  • 11045D
    11045-1455 bracket,fuel filter
    This part is currently unavailable.
  • 11045E
    11045-1622 bracket,ignition coil
    This part is currently unavailable.
  • 14024
    14024-1457 cover,head gusset,lh
    This part is currently unavailable.
  • 14024A
    14024-1459 cover,seat
    This part is currently unavailable.
  • 14024B
    14024-1510 cover,tool case
    This part is currently unavailable.
  • 14024C
    14024-1682 cover,head gusset,rh
    This part is currently unavailable.
  • 32097
    32097-1130 case-battery
    This part is currently unavailable.
  • 32098
    32098-1077 case-tool
    This part is currently unavailable.
  • 32109
    32109-1159 grip-frame,upp
    This part is currently unavailable.
  • 32109A
    32109-1164 grip-frame,lwr,lh
    This part is currently unavailable.
  • 32109B
    32109-1165 grip-frame,lwr,rh
    This part is currently unavailable.
  • 35011
    35011-1336 stay,frame grip,lh
    This part is currently unavailable.
  • 35011A
    35011-1337 stay,frame grip,rh
    This part is currently unavailable.
  • 42036
    42036-1213 sleeve,17.1x25x40
    This part is currently unavailable.
  • 92002
    92002-1721 bolt,6x12
    This part is currently unavailable.
  • 92009
    92009-1651 screw Supersedes: 92009-1335 (SCREW,5X10) Price: $5.04
    Expected to Ship in 4-9 Days
  • 92015
    92210-0003 nut,cap,6mm Supersedes: 92015-1170 (NUT,CAP,6MM) Price: $1.12
    In Stock
  • 92046
    92046-1035 bearing-needle,bhtm2530-1 Retail: $26.30 Price: See price in cart
    Expected to Ship in 4-9 Days
  • 92049
    92049-1166 seal-oil Retail: $10.40 Price: $9.57
    Expected to Ship in 4-9 Days
  • 92072
    92072-1218 band,battery
    This part is currently unavailable.
  • 92075
    Expected to Ship in 4-9 Days
  • 92143
    92143-1083 collar,17.6x22.2x96.5 Retail: $11.27 Price: $10.37
    Expected to Ship in 4-9 Days
  • 130
    130BB0614 bolt-flanged,6x14 Supersedes: 130L0614 (BOLT-FLANGED,6X14) Price: $2.86
    In Stock
  • 130A
    130AA0610 bolt-flanged,6x10 Supersedes: 130B0610 (BOLT-FLANGED,6X10) Price: $0.86
    Expected to Ship in 4-9 Days
  • 132
    Expected to Ship in 4-9 Days
  • 132A
    Expected to Ship in 4-9 Days
  • 132B
    132BA0612 bolt-flanged-small,6x12 Supersedes: 92150-1599 (BOLT-FLANGED-SMALL,6X12) Price: $1.38
    Expected to Ship in 4-9 Days
  • 132C
    132BA0610 bolt-flanged-small,6x10 Supersedes: 132H0610 (BOLT-FLANGED-SMALL,6X10) Price: $1.97
    In Stock
  • 223
    223AA0510 screw-pan-ws-cros,5x10 Supersedes: 223D0510 (SCREW-PAN-WS-CROS,5X10) Price: $0.75
    Expected to Ship in 4-9 Days
  • 236
    236D0612 screw-pan-wsp-cros
    This part is currently unavailable.
Added to your cart
CLOSE