Get Out and Ride | Dialed Gear. Tuned Parts. Dirt Ready. Shop Now
CLOSE
Shipping to US Flag United States
Free shipping over $79
BOGOS | Buy One Get One Deals Shop Now

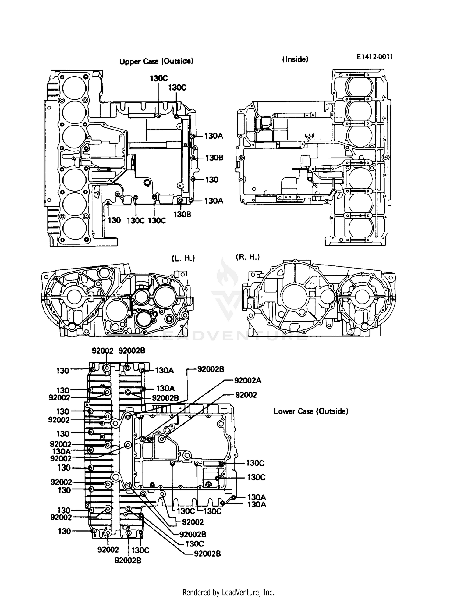
1987 Kawasaki VOYAGER - ZN1300A CRANKCASE BOLT PATTERN

Set this as my ride
CRANKCASE BOLT PATTERN

WARNING Cancer and Reproductive Harm www.P65Warnings.ca.gov.

  • # Part Retail Our Price
    Stock Status Suggested Quantity
  • 92002
    92002-1077 bolt,8x95 Retail: $11.07 Price: $10.18
    Expected to Ship in 4-9 Days
  • 92002A
    92002-1272 bolt,8x130
    This part is currently unavailable.
  • 92002B
    92002-1274 bolt,8x105
    This part is currently unavailable.
  • 130
    130BD0640 bolt-flanged Supersedes: 130Y0640 (BOLT-FLANGED) Price: $6.01
    Expected to Ship in 4-9 Days
  • 130A
    130BD0650 bolt-flanged Supersedes: 130Y0650 (BOLT-FLANGED) Price: $6.01
    Expected to Ship in 4-9 Days
  • 130B
    130CD0665 bolt-flanged,6x65 Supersedes: 130Y0665 (BOLT-FLANGED)
    This part is currently unavailable.
  • 130C
    130Y0685 bolt-flanged
    This part is currently unavailable.
Added to your cart
CLOSE