HOT DEAL! Galfer | Up To 25% Off Shop Now
CLOSE
Shipping to US Flag United States
Free shipping over $79
Moto Madness Sale Ends Tomorrow! | Get Up To 65% Off Parts & Gear Shop Now

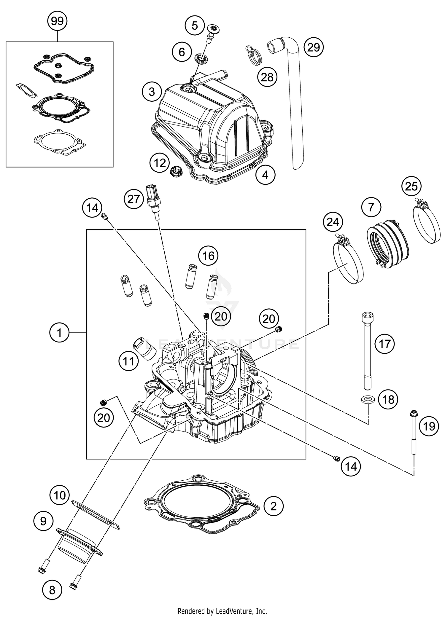
2021 Husqvarna FC 450 CYLINDER HEAD

Set this as my ride
CYLINDER HEAD

WARNING Cancer and Reproductive Harm www.P65Warnings.ca.gov.

Added to your cart
CLOSE