LUCKY YOU! Extra 10% Off Clearance | Use Code POTOGOLD10 Limited Time! Ends 3/18 Shop Now
CLOSE
Shipping to US Flag United States
Free shipping over $79
My Ride: 2017 Can-Am OUTLANDER MAX 570
Moto Madness Sale | Get Up To 65% Off Parts & Gear Shop Now

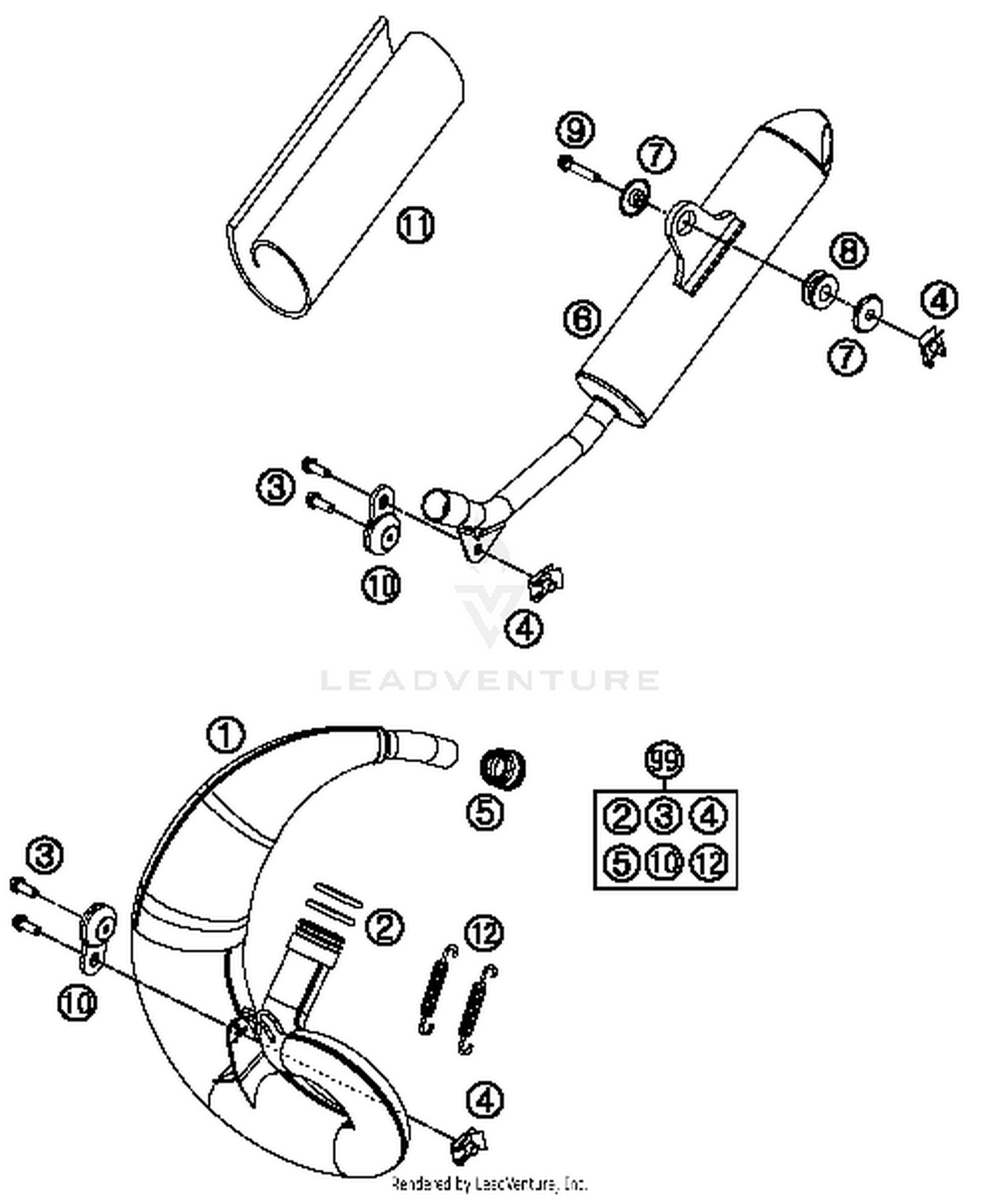
2018 Husqvarna TC 50 Exhaust System

Set this as my ride
Exhaust System

WARNING Cancer and Reproductive Harm www.P65Warnings.ca.gov.

Added to your cart
CLOSE