Renthal Deal! Up To 10% Off Shop Now
CLOSE
Shipping to US Flag United States
Free shipping over $79
My Ride: 2017 Can-Am OUTLANDER MAX 1000 XT
Moto Madness Sale | Get Up To 65% Off Parts & Gear Shop Now

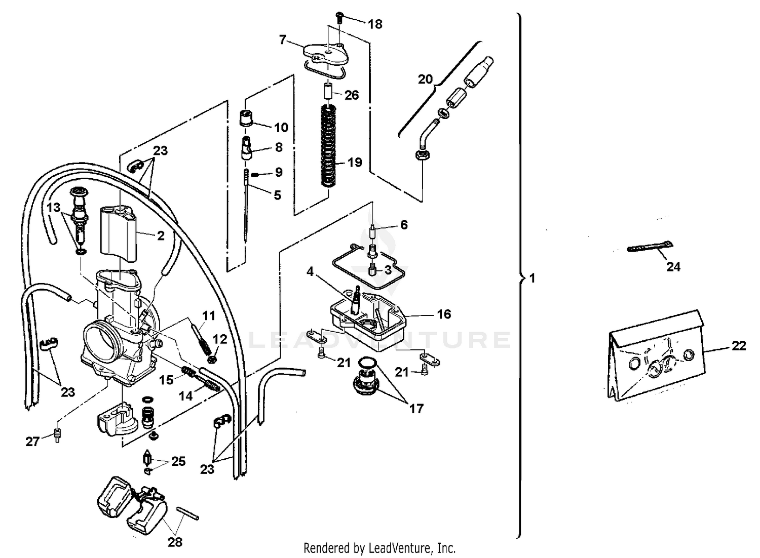
2013 Husqvarna WR 250 Carburetor

Set this as my ride
Carburetor

WARNING Cancer and Reproductive Harm www.P65Warnings.ca.gov.

Added to your cart
CLOSE