Kickstart your Riding Season with Bike Prep and Riding Gear Shop Now
CLOSE
Shipping to US Flag United States
Free shipping over $79
Moto Madness Sale | Get Up To 65% Off Parts & Gear Shop Now

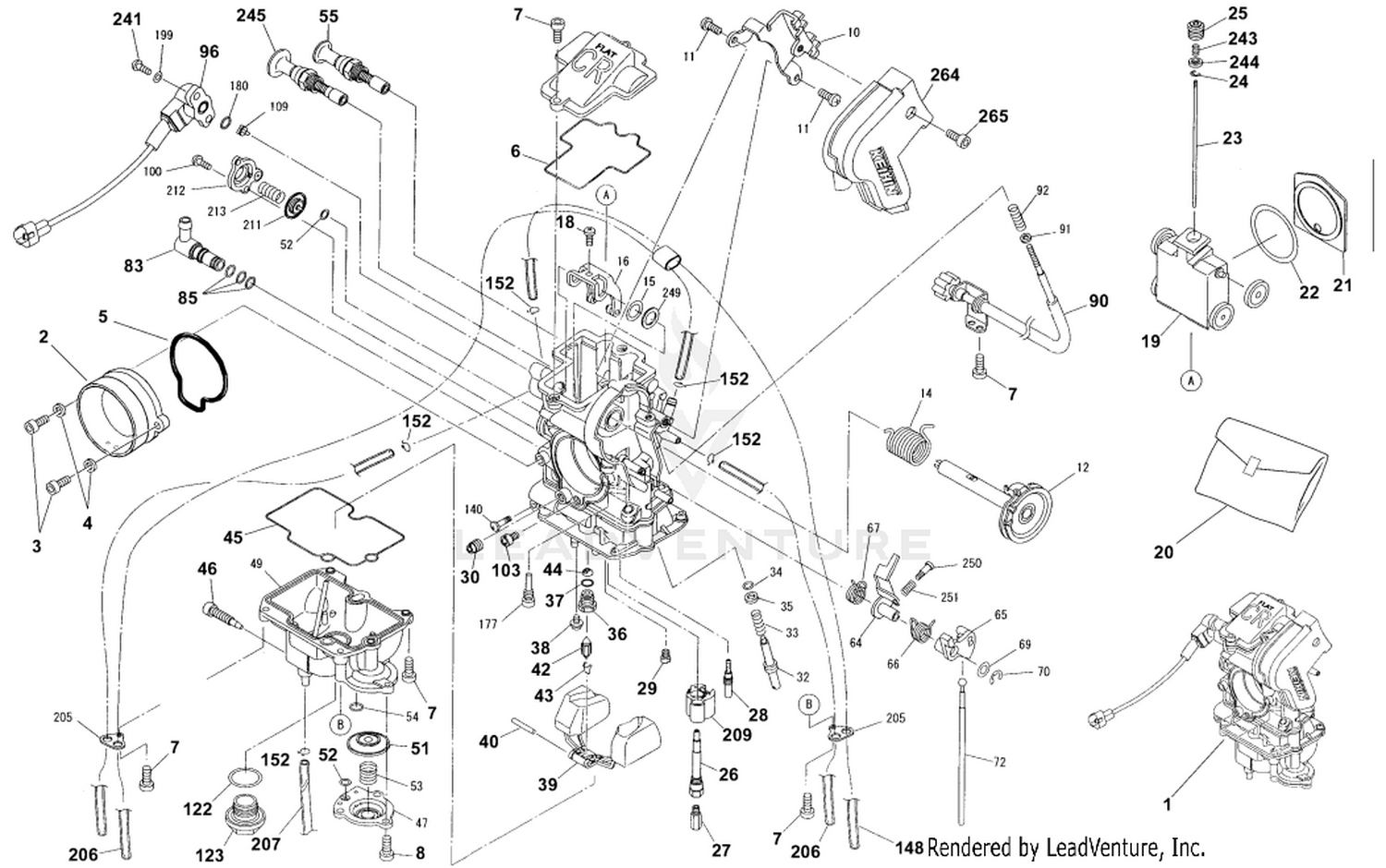
2006 Husqvarna SM 450RR Carburetor

Set this as my ride
Carburetor

WARNING Cancer and Reproductive Harm www.P65Warnings.ca.gov.

  • # Part Retail Our Price
    Stock Status Suggested Quantity
  • 1
    8000A8074 carburetor 41
    This part is currently unavailable.
  • 2
    8000A2987 air funnel
    This part is currently unavailable.
  • 3
    Backordered
  • 4
    Z00036137 washer d11-d5,5-sp1,5 Supersedes: 800036137 (Washer)
    This part is currently unavailable.
  • 5
    800098215 o-ring 50.52x1.78 mm
    This part is currently unavailable.
  • 6
    8000A5616 o-ring
    This part is currently unavailable.
  • 7
    8A00A5617 screw
    This part is currently unavailable.
  • 8
    8000A5617 screw Price: $1.99
    Backordered
  • 18
    8000A5618 screw
    This part is currently unavailable.
  • 19
    8000A5619 throttle valve 15/m
    This part is currently unavailable.
  • 20
    8000A4296 carburetor overhaul set To issue
    This part is currently unavailable.
  • 21
    8000A5620 floating valve
    This part is currently unavailable.
  • 22
    8000A5621 gasket
    This part is currently unavailable.
  • 23
    59031022000 jet needle keihin obdvr Supersedes: 800098196 (NEEDLE OBDVR) Retail: $34.20 Price: $29.07
    Usually ships in 5-7 business days.
  • 24
    8000A5622 circlip
    This part is currently unavailable.
  • 25
    8000A5623 screw needle set
    This part is currently unavailable.
  • 26
    8000A5624 jet, needle p4 Retail: $22.57 Price: $11.77
    In Stock
  • 27
    8A0098186 main jet 180
    This part is currently unavailable.
  • 28
    8B00A4624 idle jet (45)
    This part is currently unavailable.
  • 29
    800098275 starter jet 85
    This part is currently unavailable.
  • 30
    Backordered
  • 36
    800098272 needle seat Retail: $23.75 Price: $20.19
    Backordered
  • 37
    8000A5625 o-ring
    This part is currently unavailable.
  • 38
    8000A5626 screw
    This part is currently unavailable.
  • 39
    8000A5627 float set
    This part is currently unavailable.
  • 40
    8000A5628 pin, float
    This part is currently unavailable.
  • 42
    8000A5629 valve, needle
    This part is currently unavailable.
  • 43
    Backordered
  • 44
    8000A5631 filter
    This part is currently unavailable.
  • 45
    8000A5632 o-ring
    This part is currently unavailable.
  • 46
    8000A5633 bleeder screw kit
    This part is currently unavailable.
  • 51
    8A00A5634 diaphragm assy
    This part is currently unavailable.
  • 52
    8000A5635 o-ring
    This part is currently unavailable.
  • 55
    8000A5636 plunger starter cool Retail: $67.09 Price: $57.03
    Backordered
  • 83
    8000A5637 l joint comp.
    This part is currently unavailable.
  • 85
    8000A5638 o-ring
    This part is currently unavailable.
  • 90
    8000A5639 screw, pilot
    This part is currently unavailable.
  • 96
    8000A5640 sensor assy, throttle position
    This part is currently unavailable.
  • 103
    800098250 main air jet 200
    This part is currently unavailable.
  • 122
    8000A5641 o-ring
    This part is currently unavailable.
  • 123
    Backordered
  • 148
    8000A5643 ventilation hose
    This part is currently unavailable.
  • 152
    8000A5644 tube clip
    This part is currently unavailable.
  • 206
    8000A5645 ventilation hose Retail: $12.89 Price: $10.96
    Backordered
  • 207
    8000A5646 ventilation hose
    This part is currently unavailable.
  • 209
    8000A5647 buffer plate
    This part is currently unavailable.
  • 241
    8000A5648 screw
    This part is currently unavailable.
  • 243
    8000A5649 spring
    This part is currently unavailable.
  • 244
    8000A6117 spacer Supersedes: 8000A5650 (SPACER) Price: $4.31
    Backordered
  • 245
    8000A5651 plunger starter warm Retail: $67.09 Price: $57.03
    Backordered
  • 264
    8000A5652 cover
    This part is currently unavailable.
  • 265
    8000A5653 screw
    This part is currently unavailable.
Added to your cart
CLOSE