Kickstart your Riding Season with Bike Prep and Riding Gear Shop Now
CLOSE
Shipping to US Flag United States
Free shipping over $79
Moto Madness Sale | Get Up To 65% Off Parts & Gear Shop Now

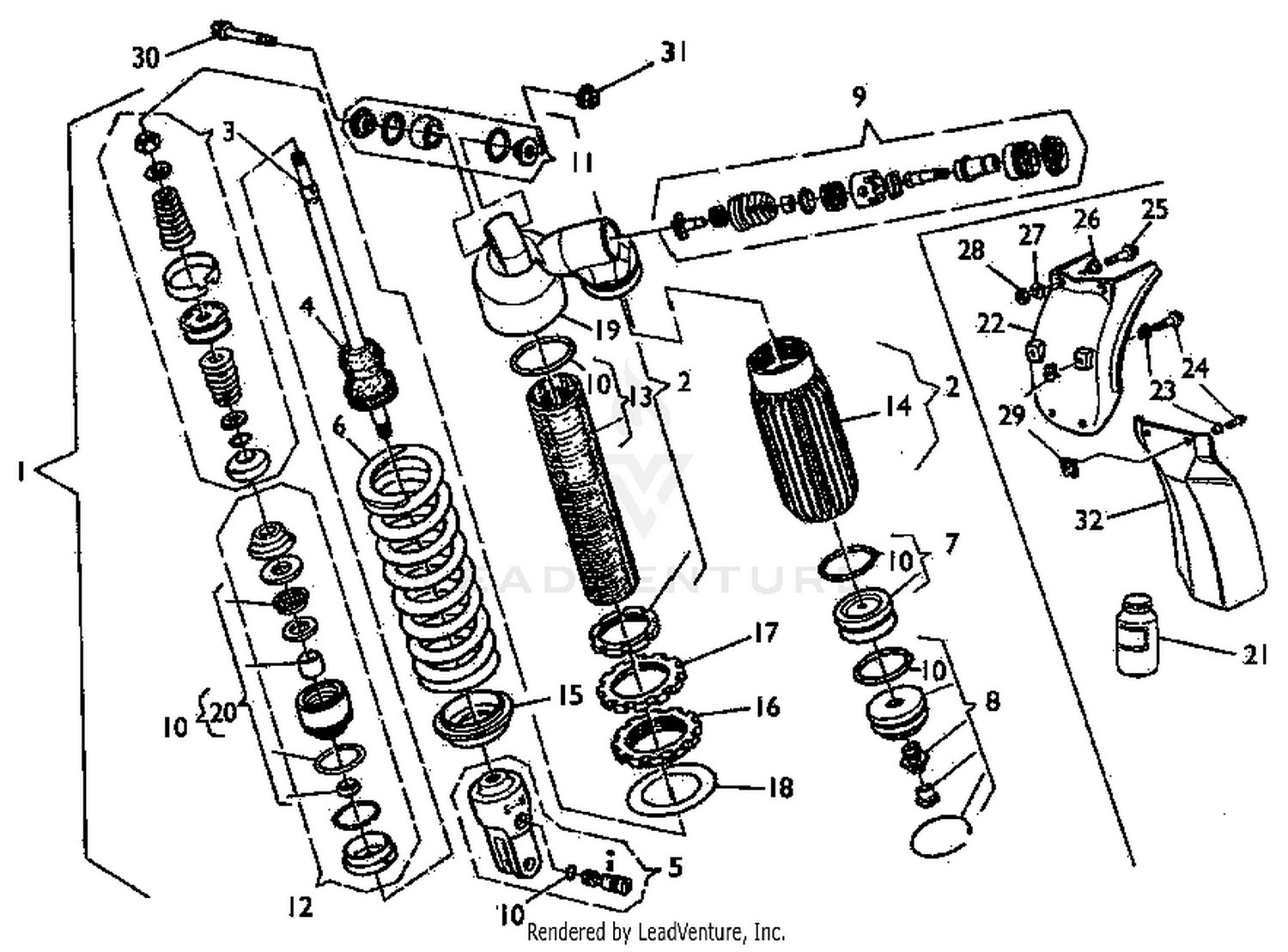
2003 Husqvarna SMR 570 Rear Suspension

Set this as my ride
Rear Suspension

WARNING Cancer and Reproductive Harm www.P65Warnings.ca.gov.

  • # Part Retail Our Price
    Stock Status Suggested Quantity
  • 1
    800097049 shock-absorber TE model
    This part is currently unavailable.
  • 1
    800097590 strut assy, rear suspension SMR model
    This part is currently unavailable.
  • 2
    800098512 damper case assy
    This part is currently unavailable.
  • 3
    800098513 rod assy TE model
    This part is currently unavailable.
  • 3
    800098519 rod assy SMR model
    This part is currently unavailable.
  • 4
    800091238 cushion
    This part is currently unavailable.
  • 5
    800098489 fork assy Retail: $198.59 Price: $168.80
    Backordered
  • 6
    800098504 spring, shock absorber k=5.4 k TE model Supersedes: 800098570 (SPRING, SHOCK ABSORBER K=5.4 K) Retail: $121.81 Price: $103.54
    Backordered
  • 6
    800098520 spring, shock absorber k=6.4 k SMR model
    This part is currently unavailable.
  • 7
    800098490 diaphragm
    This part is currently unavailable.
  • 8
    800098491 tank Retail: $51.39 Price: $43.68
    Backordered
  • 9
    800098492 adjuster set
    This part is currently unavailable.
  • 10
    800098493 overhaul set, rear shock absor
    This part is currently unavailable.
  • 11
    800089089 ball joint assy Retail: $121.59 Price: $103.35
    Backordered
  • 12
    800098494 guide rod assy
    This part is currently unavailable.
  • 13
    800098514 damper case
    This part is currently unavailable.
  • 14
    800098515 tank
    This part is currently unavailable.
  • 15
    800098496 cup Retail: $30.34 Price: $25.79
    Backordered
  • 16
    800098497 ring nut Retail: $19.79 Price: $16.82
    Backordered
  • 17
    800098498 ring nut Retail: $14.39 Price: $12.23
    Backordered
  • 18
    800098499 washer
    This part is currently unavailable.
  • 19
    800098517 tank support
    This part is currently unavailable.
  • 20
    800098495 rod gasket set Retail: $42.44 Price: $36.07
    Backordered
  • 21
    800088231 shock-absorber oil Upon request
    This part is currently unavailable.
  • 22
    800092961 guard
    This part is currently unavailable.
  • 23
    Z00069429 bush Supersedes: 800069429 (BUSH 9X7X4.8)
    This part is currently unavailable.
  • 24
    Z00062727 screw Supersedes: 800062727 (Screw)
    This part is currently unavailable.
  • 25
    ZA0067545 screw Supersedes: 8A0067545 (SCREW TEF M6X1.00X35 CH8) Price: $1.04
    Backordered
  • 26
    800072268 spacer
    This part is currently unavailable.
  • 27
    Backordered
  • 28
    Z00044240 self locking nut Supersedes: 800044240 (Nut)
    This part is currently unavailable.
  • 29
    U00046893 clip nut m6x1 Supersedes: 800046893 (Clip Nut)
    This part is currently unavailable.
  • 30
    ZD0062797 screw Supersedes: 8D0062797 (SCREW TE M10X1.25X47 CH14) Price: $3.99
    Backordered
  • 31
    Z00042022 nut m10x1,25-ch14-sp10 Supersedes: 800042022 (Nut) Price: $2.99
    In Stock
  • 32
    80A069551 cover, shock absorber
    This part is currently unavailable.
Added to your cart
CLOSE