Kickstart your Riding Season with Bike Prep and Riding Gear Shop Now
CLOSE
Shipping to US Flag United States
Free shipping over $79
My Ride: 1985 Suzuki LT50 QUADRUNNER
Moto Madness Sale | Get Up To 65% Off Parts & Gear Shop Now

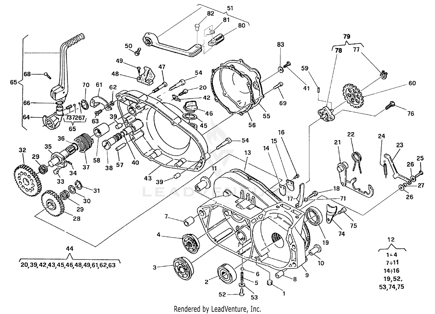
2001 Husqvarna TE 400 L.H. Half Crankcase, Starting

Set this as my ride
L.H. Half Crankcase, Starting

WARNING Cancer and Reproductive Harm www.P65Warnings.ca.gov.

  • # Part Retail Our Price
    Stock Status Suggested Quantity
  • 1
    800069769 cone-shaped plug ei m14x1.5
    This part is currently unavailable.
  • 2
    8A0028182 ball bearing 30x72x19
    This part is currently unavailable.
  • 3
    800059975 ball bearing
    This part is currently unavailable.
  • 4
    800059976 ball bearing 17x47x14
    This part is currently unavailable.
  • 5
    800061263 spring
    This part is currently unavailable.
  • 6
    800060476 steel ball
    This part is currently unavailable.
  • 7
    Backordered
  • 8
    Backordered
  • 10
    161077701 bush Price: $4.86
    Backordered
  • 11
    8B0071154 bushing
    This part is currently unavailable.
  • 12
    800096874 crankcase assy
    This part is currently unavailable.
  • 13
    161165003 gasket. crankcase cover
    This part is currently unavailable.
  • 14
    161534801 reed valve assy
    This part is currently unavailable.
  • 15
    Backordered
  • 16
    60N102866 screw tci m4x0,7x6
    This part is currently unavailable.
  • 17
    800068686 chain tensioner assy
    This part is currently unavailable.
  • 18
    161535902 screw
    This part is currently unavailable.
  • 19
    151372602 oil seal 30x52x7
    This part is currently unavailable.
  • 20
    Z00026970 screw Supersedes: 800026970 (SCREW) Price: $1.73
    Backordered
  • 21
    161168601 selector
    This part is currently unavailable.
  • 22
    161169201 spring
    This part is currently unavailable.
  • 23
    800090054 click
    This part is currently unavailable.
  • 24
    161168401 spring
    This part is currently unavailable.
  • 25
    800047422 screw
    This part is currently unavailable.
  • 26
    8A0037003 washer
    This part is currently unavailable.
  • 27
    161121601 bushing
    This part is currently unavailable.
  • 28
    161127101 gear (z=25)
    This part is currently unavailable.
  • 29
    800040449 bearing, needle Retail: $20.49 Price: $17.42
    Backordered
  • 30
    Backordered
  • 30
    8B0038110 washer (0,5 mm)
    This part is currently unavailable.
  • 30
    8F0038110 washer (1,0 mm)
    This part is currently unavailable.
  • 31
    66N021205 shim
    This part is currently unavailable.
  • 32
    161539101 starting gear t35
    This part is currently unavailable.
  • 33
    161168001 click
    This part is currently unavailable.
  • 34
    161168101 spring
    This part is currently unavailable.
  • 35
    161167702 shaft kick starter
    This part is currently unavailable.
  • 36
    800060475 o ring
    This part is currently unavailable.
  • 37
    161636201 spring
    This part is currently unavailable.
  • 38
    161174601 gearbox pedal shaft
    This part is currently unavailable.
  • 39
    161170801 bush
    This part is currently unavailable.
  • 40
    800060474 o ring
    This part is currently unavailable.
  • 41
    800035099 screw tc m6x1.00x8
    This part is currently unavailable.
  • 42
    800068710 lever rubber
    This part is currently unavailable.
  • 43
    8A0067194 cover, clutch
    This part is currently unavailable.
  • 44
    8C0075764 left side cover assy
    This part is currently unavailable.
  • 45
    800027960 washer 26x17.5x2
    This part is currently unavailable.
  • 46
    800036786 cap, oil filler
    This part is currently unavailable.
  • 47
    Backordered
  • 48
    800068584 pad
    This part is currently unavailable.
  • 49
    60N102900 screw 5x14
    This part is currently unavailable.
  • 50
    In Stock
  • 51
    800092944 lever, gear shifting
    This part is currently unavailable.
  • 52
    800066101 screw
    This part is currently unavailable.
  • 53
    800047763 washer 17.9x14.2x1.5
    This part is currently unavailable.
  • 54
    60N102513 allen screw m6x1x40
    This part is currently unavailable.
  • 55
    80A096889 clutch cover, outer Supersedes: 8A0067216 (Cover)
    This part is currently unavailable.
  • 56
    800096890 gasket clutch cover, outer
    This part is currently unavailable.
  • 57
    800060477 reference dowel
    This part is currently unavailable.
  • 58
    161446901 bushing
    This part is currently unavailable.
  • 59
    8C0027690 roller
    This part is currently unavailable.
  • 60
    800090052 oil pump gear
    This part is currently unavailable.
  • 61
    161170401 plate
    This part is currently unavailable.
  • 62
    161170601 spacer
    This part is currently unavailable.
  • 63
    Y00060577 screw Supersedes: 800060577 (SCREW TSEI M6X1X20)
    This part is currently unavailable.
  • 64
    800068174 boss, kick starter
    This part is currently unavailable.
  • 65
    800084321 kick starter lever
    This part is currently unavailable.
  • 66
    800031271 o-ring
    This part is currently unavailable.
  • 67
    161108501 plug
    This part is currently unavailable.
  • 68
    800058140 screw tspei m6x1x30
    This part is currently unavailable.
  • 69
    60ND07335 screw tcei m6x1-ch5-l16 Supersedes: 60N107335 (SCREW TCEI M6X1.00X16) Price: $1.04
    Backordered
  • 70
    66N021208 seeger
    This part is currently unavailable.
  • 71
    800045194 washer 14x8.2x1
    This part is currently unavailable.
  • 72
    800060472 steel ball d. 6
    This part is currently unavailable.
  • 73
    161108401 spring Retail: $14.59 Price: $12.40
    Backordered
  • 74
    800061269 plate
    This part is currently unavailable.
  • 75
    60ND02504 screw Supersedes: 60N102504 (Screw) Price: $0.49
    Backordered
  • 76
    Y00060577 screw Supersedes: 800060577 (SCREW TSEI M6X1X20)
    This part is currently unavailable.
  • 77
    800090057 circlip
    This part is currently unavailable.
  • 78
    800089829 pump-assy-oil
    This part is currently unavailable.
  • 79
    800090056 oil pump assy
    This part is currently unavailable.
  • 80
    800070215 pedal
    This part is currently unavailable.
  • 81
    800070216 spring Price: $3.99
    Backordered
  • 82
    800070217 rivet
    This part is currently unavailable.
  • 83
    800064988 washer 11x6.1x1
    This part is currently unavailable.
Added to your cart
CLOSE