Renthal Deal! Up To 10% Off Shop Now
CLOSE
Shipping to US Flag United States
Free shipping over $79
Moto Madness Sale | Get Up To 65% Off Parts & Gear Shop Now

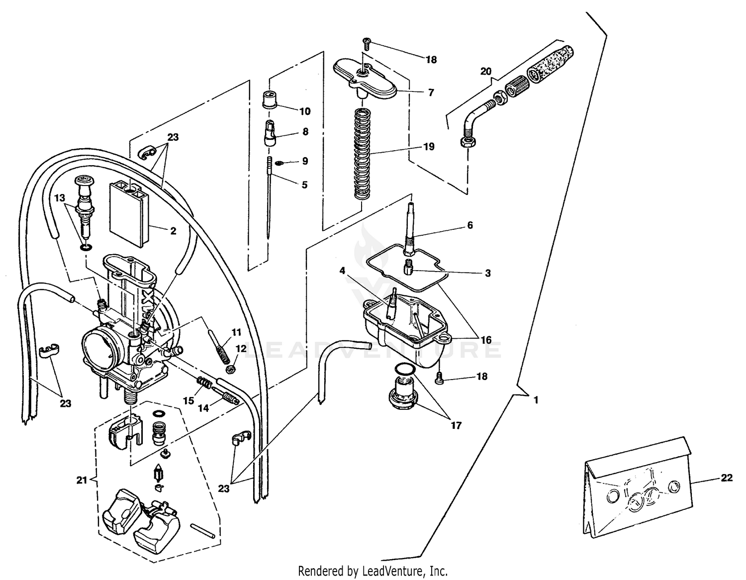
2001 Husqvarna CR 250 Carburetor

Set this as my ride
Carburetor

WARNING Cancer and Reproductive Harm www.P65Warnings.ca.gov.

  • # Part Retail Our Price
    Stock Status Suggested Quantity
  • 1
    800086907 carburetor
    This part is currently unavailable.
  • 2
    8D0086918 throttle valve (4.0)
    This part is currently unavailable.
  • 2
    800086918 throttle valve (3.0) To issue
    This part is currently unavailable.
  • 2
    8A0086918 throttle valve (2.5) Upon request
    This part is currently unavailable.
  • 2
    8B0086918 throttle valve (3.5) Upon request
    This part is currently unavailable.
  • 3
    8W0072310 main jet (400)
    This part is currently unavailable.
  • 3
    8T0072310 main jet (370)
    This part is currently unavailable.
  • 3
    8U0072310 jet, main 380 To issue/Upon request
    This part is currently unavailable.
  • 3
    8V0072310 jet-main 390 To issue/Upon request
    This part is currently unavailable.
  • 3
    55431029410 main jet ''410'' To issue/Upon request Supersedes: 8X0072310 (JET-MAIN 410) Price: $9.78
    Usually ships in 5-7 business days.
  • 3
    55431029420 main jet ''420'' Upon request Supersedes: 8Y0072310 (JET-MAIN 420) Price: $9.78
    Usually ships in 5-7 business days.
  • 3
    55431029430 main jet ''430'' Upon request Supersedes: 8Z0072310 (JET-MAIN 430) Price: $9.78
    Usually ships in 5-7 business days.
  • 4
    55431007350 idling jet ''35'' Supersedes: 800086919 (IDLING JET 35) Retail: $18.80 Price: $15.98
    In Stock
  • 4
    8000H0285 chain shoe Upon request Supersedes: 8000A1804 (Chain Slider (510)) Retail: $78.99 Price: $67.14
    Backordered
  • 4
    55431007400 idling jet ''40'' To issue/Upon request Supersedes: 8B0086919 (IDLING JET 40) Retail: $18.58 Price: $15.79
    Usually ships in 5-7 business days.
  • 4
    55431007450 idling jet ''45'' To issue Supersedes: 8C0086919 (IDLE JET (45)) Retail: $18.36 Price: $15.61
    Usually ships in 5-7 business days.
  • 5
    800086920 needle set 6dj8-60
    This part is currently unavailable.
  • 5
    8C0086920 needle (58) To issue
    This part is currently unavailable.
  • 5
    8A0086920 needle set 6dj8-59 To issue/Upon request
    This part is currently unavailable.
  • 5
    8B0086920 needle set 6dj8-61 Upon request
    This part is currently unavailable.
  • 6
    800086921 needle jet r5
    This part is currently unavailable.
  • 7
    800086932 cover, carburetor
    This part is currently unavailable.
  • 8
    800086978 retainer Retail: $15.39 Price: $13.08
    Backordered
  • 9
    800072323 spring ring
    This part is currently unavailable.
  • 10
    55431034050 ring Supersedes: 800086925 (GUIDE, SPRING) Price: $4.99
    In Stock
  • 11
    800086926 air screw set
    This part is currently unavailable.
  • 12
    Backordered
  • 13
    55431245000 start piston Supersedes: 800072327 (PLUNGER STARTER) Retail: $39.48 Price: $33.56
    Usually ships in 5-7 business days.
  • 14
    800072328 screw, pilot
    This part is currently unavailable.
  • 15
    55431017010 compression spring adjuster Supersedes: 800072329 (SPRING, PILOT ADJUSTING) Price: $6.15
    In Stock
  • 16
    800086928 float chamber
    This part is currently unavailable.
  • 17
    800072331 nut Retail: $23.93 Price: $20.34
    Backordered
  • 18
    800086979 screw Price: $1.50
    Backordered
  • 19
    55431030000 sliding spring mikuni Supersedes: 8A0072334 (SPRING, THROTTLE VALVE) Retail: $11.21 Price: $9.53
    In Stock
  • 20
    800072318 throttle cable adjuster
    This part is currently unavailable.
  • 21
    800086933 float
    This part is currently unavailable.
  • 22
    800086929 gasket set, carburetor
    This part is currently unavailable.
  • 23
    800086930 breather hose set
    This part is currently unavailable.
Added to your cart
CLOSE