Kickstart your Riding Season with Bike Prep and Riding Gear Shop Now
CLOSE
Shipping to US Flag United States
Free shipping over $79
My Ride: 2012 Triumph Scrambler
Moto Madness Sale | Get Up To 65% Off Parts & Gear Shop Now

2000 Husqvarna WR 125 Electric Part

Set this as my ride
Electric Part

WARNING Cancer and Reproductive Harm www.P65Warnings.ca.gov.

  • # Part Retail Our Price
    Stock Status Suggested Quantity
  • 1
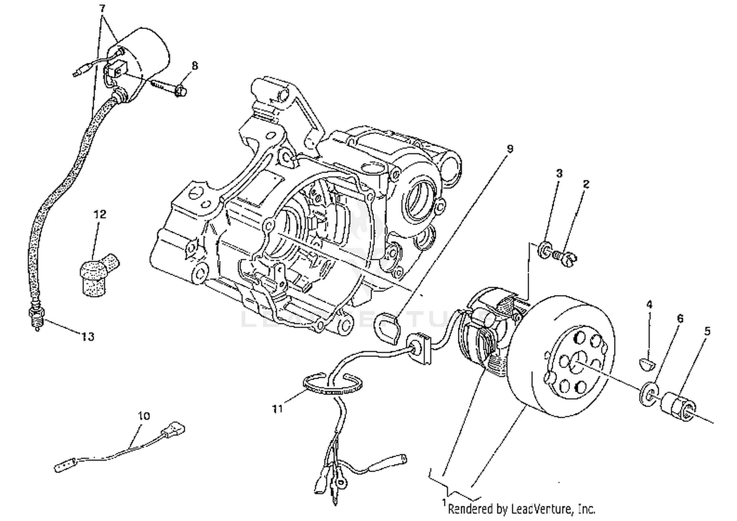
    800067029 flywheel magneto
    This part is currently unavailable.
  • 2
    Backordered
  • 3
    Backordered
  • 4
    65N021002 key, woodruff
    This part is currently unavailable.
  • 5
    800073540 nut m12x1.25 ch19
    This part is currently unavailable.
  • 6
    800073593 washer 18x12.5
    This part is currently unavailable.
  • 7
    800066418 ignition coil
    This part is currently unavailable.
  • 8
    Z00062727 screw Supersedes: 800062727 (Screw)
    This part is currently unavailable.
  • 9
    800076079 plate Price: $2.99
    Backordered
  • 10
    800080145 cable voltage regulator coil WR (U.S.A.) model
    This part is currently unavailable.
  • 11
    800056444 clamp 188 mm
    This part is currently unavailable.
  • 12
    800075270 cap, spark plug noise supresso Only with NGK spark plug Supersedes: 800090877 (SPARK.PLUG CAP)
    This part is currently unavailable.
  • 12
    800075270 cap, spark plug noise supresso
    This part is currently unavailable.
  • 13
    8A0057446 spark plug ngk br9eg Supersedes: 800088759 (Spark Plug)
    This part is currently unavailable.
  • 13
    800088759 spark plug champion qn84 In alternative
    This part is currently unavailable.
Added to your cart
CLOSE