Kickstart your Riding Season with Bike Prep and Riding Gear Shop Now
CLOSE
Shipping to US Flag United States
Free shipping over $79
My Ride: 2012 Triumph Scrambler
Moto Madness Sale | Get Up To 65% Off Parts & Gear Shop Now

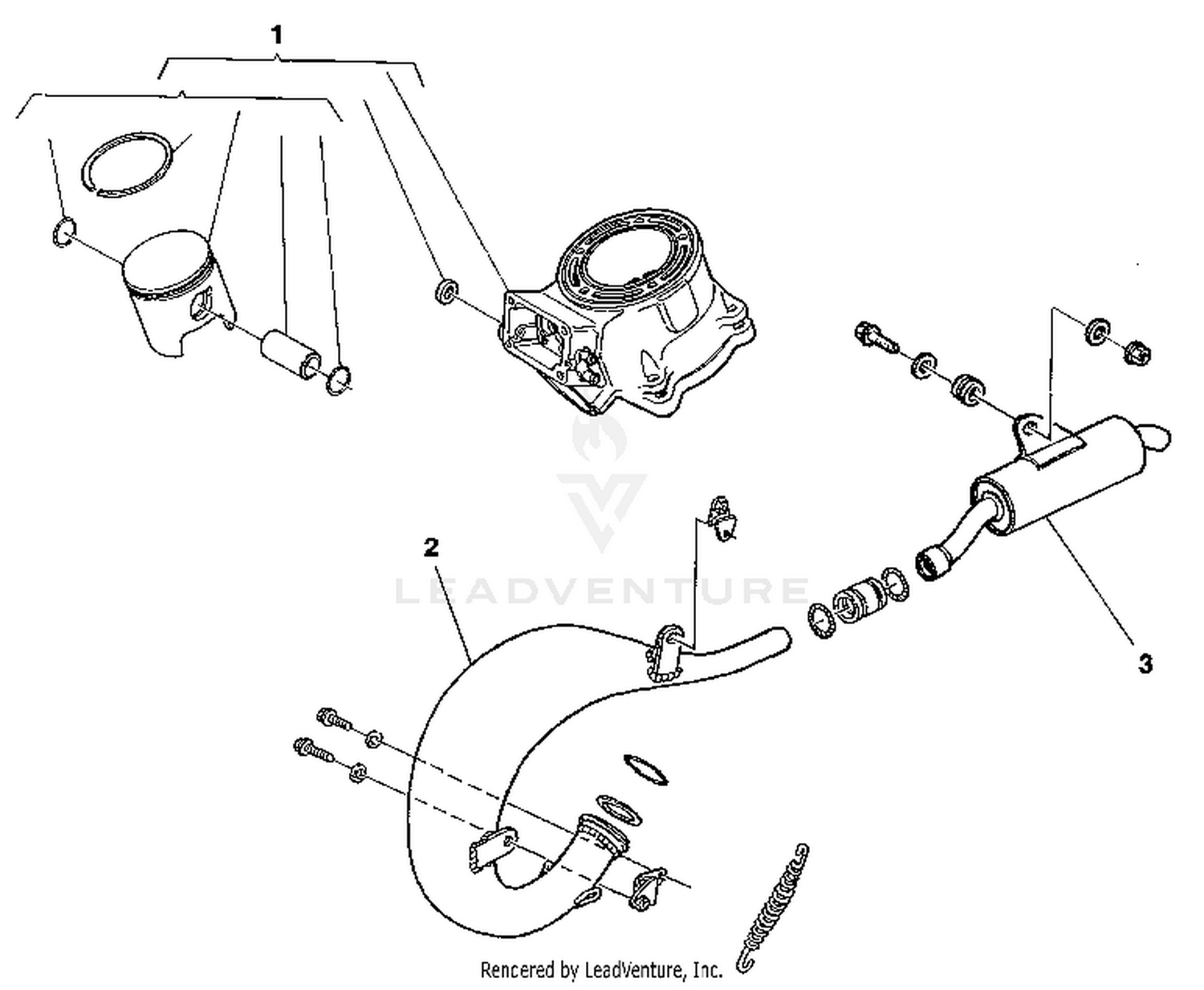
2000 Husqvarna CR 125 Power Improvement Kit

Set this as my ride
Power Improvement Kit

WARNING Cancer and Reproductive Harm www.P65Warnings.ca.gov.

  • # Part Retail Our Price
    Stock Status Suggested Quantity
  • 1
    800091100 cylinder assy
    This part is currently unavailable.
  • 2
    800091101 exhaust pipe assy
    This part is currently unavailable.
  • 3
    800091102 exhaust silencer assy
    This part is currently unavailable.
Added to your cart
CLOSE