Kickstart your Riding Season with Bike Prep and Riding Gear Shop Now
CLOSE
Shipping to US Flag United States
Free shipping over $79
My Ride: 2002 Kawasaki KX100
Moto Madness Sale | Get Up To 65% Off Parts & Gear Shop Now

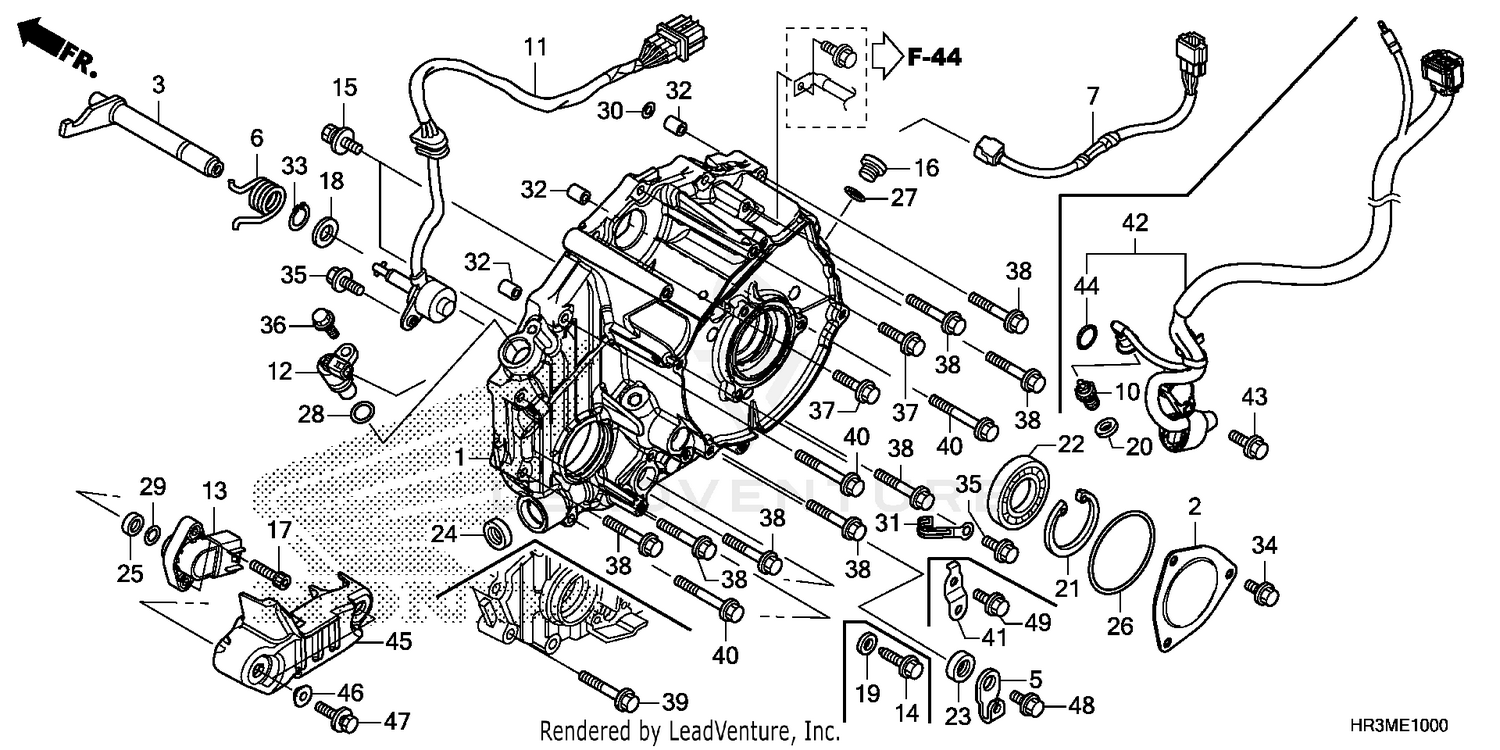
2021 Honda RANCHER TRX420TM1 REAR CRANKCASE COVER

Set this as my ride
REAR CRANKCASE COVER

WARNING Cancer and Reproductive Harm www.P65Warnings.ca.gov.

Added to your cart
CLOSE