Renthal Deal! Up To 10% Off Shop Now
CLOSE
Shipping to US Flag United States
Free shipping over $79
My Ride: 2025 Yamaha YZF - R1
Moto Madness Sale | Get Up To 65% Off Parts & Gear Shop Now

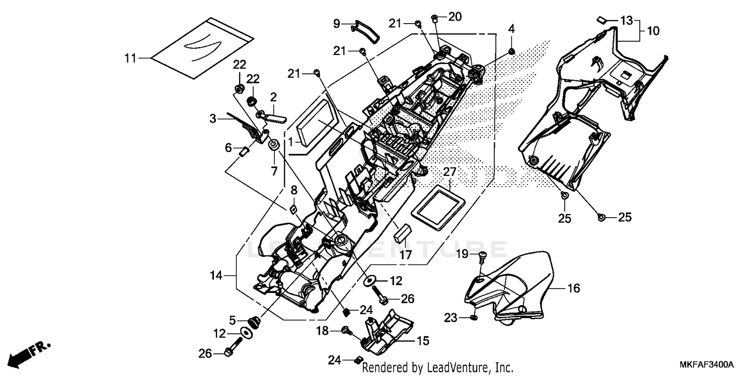
2021 Honda CBR100RR REAR FENDER

Set this as my ride
REAR FENDER

WARNING Cancer and Reproductive Harm www.P65Warnings.ca.gov.

Added to your cart
CLOSE