HOT DEAL! 100% | Up To 40% Off Shop Now
CLOSE
Shipping to US Flag United States
Free shipping over $79
My Ride: 2003 Harley Davidson Ultra Classic Electra Glide - FLHTCUI
Spring Sale Bargain Bin Save 40% - 90% Off! Shop Now

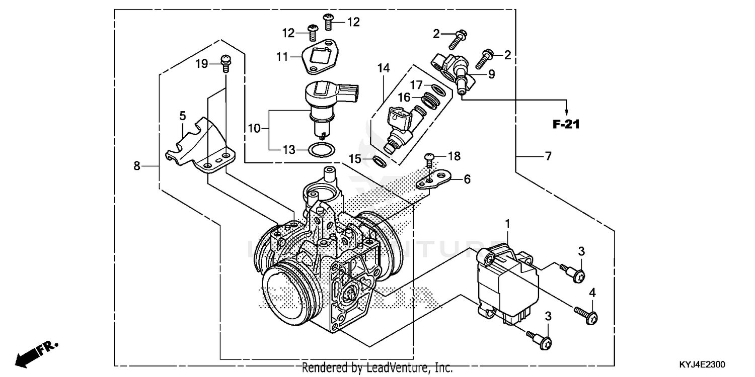
2012 Honda CBR250R THROTTLE BODY

Set this as my ride
THROTTLE BODY

WARNING Cancer and Reproductive Harm www.P65Warnings.ca.gov.

Added to your cart
CLOSE