Kickstart your Riding Season with Bike Prep and Riding Gear Shop Now
CLOSE
Shipping to US Flag United States
Free shipping over $79
My Ride: 2020 Cfmoto CFORCE 400
Moto Madness Sale | Get Up To 65% Off Parts & Gear Shop Now

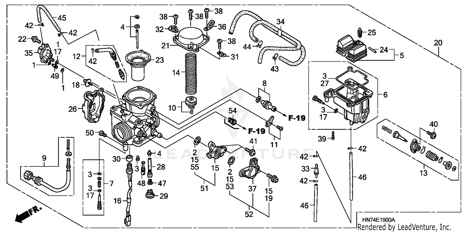
2004 Honda RANCHER 400 4X4 CARBURETOR

Set this as my ride
CARBURETOR

WARNING Cancer and Reproductive Harm www.P65Warnings.ca.gov.

Added to your cart
CLOSE