Kickstart your Riding Season with Bike Prep and Riding Gear Shop Now
CLOSE
Shipping to US Flag United States
Free shipping over $79
Moto Madness Sale | Get Up To 65% Off Parts & Gear Shop Now

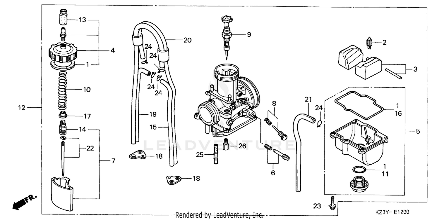
2000 Honda CR250 CARBURETOR (1)

Set this as my ride
CARBURETOR (1)

WARNING Cancer and Reproductive Harm www.P65Warnings.ca.gov.

  • # Part Retail Our Price
    Stock Status Suggested Quantity
  • 1
    16010-KA5-691 gasket set Retail: $54.92 Price: $45.58
    In Stock
  • 2
    16011-KZ3-J11 valve set, float Retail: $43.57 Price: $35.94
    In Stock
  • 3
    16013-HA2-671 float set Supersedes: 16013-KA3-741 (FLOAT SET) Retail: $59.00 Price: $48.97
    Expected to Ship in 5-8 Days
  • 4
    16014-KZ3-J11 top set
    This part is currently unavailable.
  • 5
    16015-VM0-004 chamber set, float
    This part is currently unavailable.
  • 6
    16016-HA2-004 screw set screw set a Supersedes: 16016-KZ3-J11 (SCREW SET)
    This part is currently unavailable.
  • 6
    16016-HA2-004 screw set screw set a Supersedes: 16016-KZ3-J11 (SCREW SET)
    This part is currently unavailable.
  • 7
    16022-KZ3-J21 valve set, throttle
    This part is currently unavailable.
  • 8
    16028-KZ3-J11 screw set b
    This part is currently unavailable.
  • 9
    16046-KZ3-J11 valve set, starter
    This part is currently unavailable.
  • 10
    16050-KZ3-J11 spring, compression coil
    This part is currently unavailable.
  • 11
    16075-GHB-B00 o-ring (2.4x18.6) Supersedes: 16955-283-000 (O-RING (2.4X18.6)) Price: $5.99
    Expected to Ship in 5-8 Days
  • 12
    16100-KZ3-J21 carburetor assy. (pwk00a a)
    This part is currently unavailable.
  • 13
    16118-KZ3-J11 cap, cable sealing
    This part is currently unavailable.
  • 14
    16137-KZ3-J11 holder, cable
    This part is currently unavailable.
  • 15
    16198-KZ3-P00 tube, air vent Supersedes: 16144-MAC-880 (TUBE,4X7X390) Price: $5.70
    In Stock
  • 15
    16198-KZ3-P00 tube, air vent Supersedes: 16144-MAC-880 (TUBE,4X7X390) Price: $5.70
    In Stock
  • 16
    16163-KZ4-J01 gasket, float chamber
    This part is currently unavailable.
  • 17
    16172-KZ3-J11 collar, set
    This part is currently unavailable.
  • 18
    16179-KZ4-690 binder Retail: $11.39 Price: $9.39
    Expected to Ship in 5-8 Days
  • 19
    16198-KZ3-P00 tube, air vent Supersedes: 16144-MAC-880 (TUBE,4X7X390) Price: $5.70
    In Stock
  • 19
    16198-KZ3-P00 tube, air vent Supersedes: 16144-MAC-880 (TUBE,4X7X390) Price: $5.70
    In Stock
  • 20
    16199-KZ3-J11 tube, air vent
    This part is currently unavailable.
  • 21
    16199-KZ3-505 tube, overflow Supersedes: 16199-KZ3-J21 (TUBE, OVERFLOW)
    This part is currently unavailable.
  • 22
    16203-KZ3-J21 needle set, jet (a715/289r)
    This part is currently unavailable.
  • 23
    93892-04016-08 screw-washer (4x16) Supersedes: 93892-04016-07 (SCREW-WASHER (4X16)) Price: $1.30
    In Stock
  • 23
    93892-04016-08 screw-washer (4x16) Supersedes: 93892-04016-07 (SCREW-WASHER (4X16)) Price: $1.30
    In Stock
  • 24
    Expected to Ship in 5-8 Days
  • 25
    99103-GBF-0480 jet, slow (#48) Supersedes: 99103-440-0480 (JET, SLOW (#48)) Retail: $17.16 Price: $14.16
    Expected to Ship in 5-8 Days
  • 26
    99113-GHB-1800 jet, main (#180) Supersedes: 99101-357-1800 (JET, MAIN (#180)) Retail: $11.07 Price: $9.14
    Expected to Ship in 5-8 Days
Added to your cart
CLOSE