Kickstart your Riding Season with Bike Prep and Riding Gear Shop Now
CLOSE
Shipping to US Flag United States
Free shipping over $79
My Ride: 2018 Can-Am MAVERICK X3 TURBO
Moto Madness Sale | Get Up To 65% Off Parts & Gear Shop Now

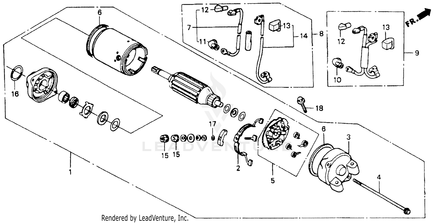
1994 Honda SHADOW VLX - VT600C STARTER

Set this as my ride
STARTER

WARNING Cancer and Reproductive Harm www.P65Warnings.ca.gov.

Added to your cart
CLOSE