Kickstart your Riding Season with Bike Prep and Riding Gear Shop Now
CLOSE
Shipping to US Flag United States
Free shipping over $79
My Ride: 2012 Triumph Scrambler
Moto Madness Sale | Get Up To 65% Off Parts & Gear Shop Now

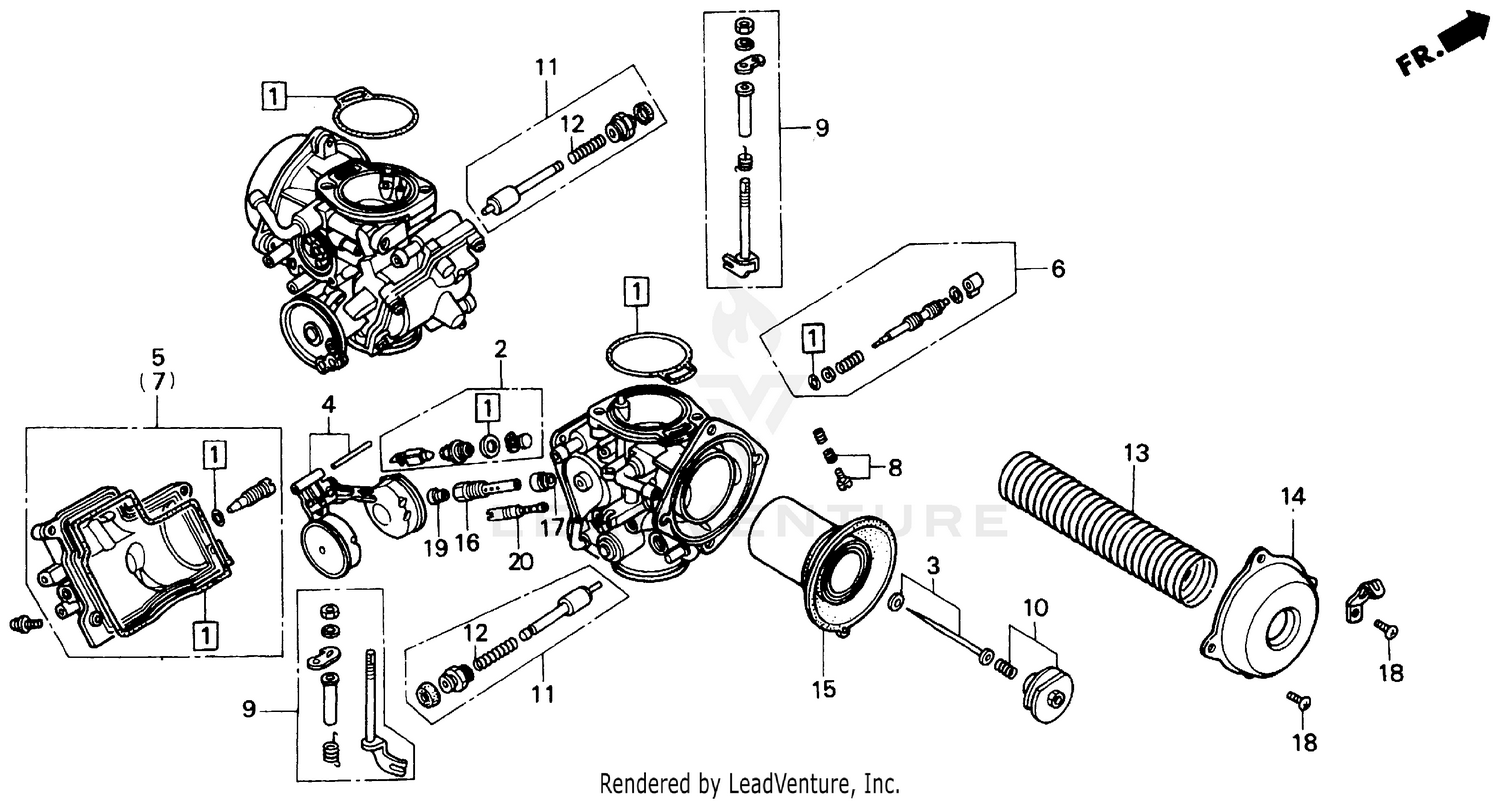
1991 Honda GOLD WING INTERSTATE - GL1500I CARBURETOR (COMPONENTS)

Set this as my ride
CARBURETOR (COMPONENTS)

WARNING Cancer and Reproductive Harm www.P65Warnings.ca.gov.

  • # Part Retail Our Price
    Stock Status Suggested Quantity
  • 1
    16010-MT2-004 gasket set a Retail: $62.78 Price: $52.11
    Expected to Ship in 5-8 Days
  • 2
    16011-ML7-921 valve set, float Supersedes: 16011-MN5-004 (VALVE SET, FLOAT) Retail: $73.42 Price: $60.94
    Expected to Ship in 5-8 Days
  • 2
    16011-ML7-921 valve set, float Supersedes: 16011-MN5-004 (VALVE SET, FLOAT) Retail: $73.42 Price: $60.94
    Expected to Ship in 5-8 Days
  • 3
    16012-MT8-010 needle set, jet Retail: $40.08 Price: $33.06
    Expected to Ship in 5-8 Days
  • 4
    16013-MAM-000 float set Supersedes: 16013-MT2-004 (FLOAT SET) Retail: $58.78 Price: $48.79
    Expected to Ship in 5-8 Days
  • 4
    16013-MAM-000 float set Supersedes: 16013-MT2-004 (FLOAT SET) Retail: $58.78 Price: $48.79
    Expected to Ship in 5-8 Days
  • 5
    16015-MT8-010 chamber set a, float Retail: $135.60 Price: $109.84
    Expected to Ship in 5-8 Days
  • 6
    16016-MZ8-A70 screw set Supersedes: 16016-MS8-681 (SCREW SET) Retail: $26.60 Price: $21.94
    Expected to Ship in 5-8 Days
  • 6
    16016-MZ8-A70 screw set Supersedes: 16016-MS8-681 (SCREW SET) Retail: $26.60 Price: $21.94
    Expected to Ship in 5-8 Days
  • 7
    16023-MT8-010 chamber set b, float
    This part is currently unavailable.
  • 8
    16029-MB0-671 screw set c
    This part is currently unavailable.
  • 9
    16031-MN5-014 lever set, starter
    This part is currently unavailable.
  • 10
    16037-MN5-004 plate set Retail: $23.75 Price: $19.59
    Expected to Ship in 5-8 Days
  • 11
    16046-MT8-000 valve set, starter (not available)
    This part is currently unavailable.
  • 12
    16050-MT2-004 spring, compression coil
    This part is currently unavailable.
  • 13
    16051-MT8-000 spring, compression coil Retail: $15.17 Price: $13.66
    Expected to Ship in 5-8 Days
  • 14
    16107-MM8-004 top Retail: $47.78 Price: $39.42
    Expected to Ship in 5-8 Days
  • 15
    16111-MN5-004 piston, vacuum
    This part is currently unavailable.
  • 16
    16165-MT8-000 holder, needle jet
    This part is currently unavailable.
  • 17
    Expected to Ship in 5-8 Days
  • 18
    93500-04010-0A screw, pan (4x10) Supersedes: 93500-04010-1A (SCREW, PAN (4X10)) Price: $1.66
    In Stock
  • 18
    93500-04010-0A screw, pan (4x10) Supersedes: 93500-04010-1A (SCREW, PAN (4X10)) Price: $1.66
    In Stock
  • 19
    99101-HN2-1580 jet, main (#158) Supersedes: 99101-393-1580 (JET, MAIN (#158)) Retail: $13.07 Price: $10.78
    Expected to Ship in 5-8 Days
  • 19
    99101-HN2-1580 jet, main (#158) Supersedes: 99101-393-1580 (JET, MAIN (#158)) Retail: $13.07 Price: $10.78
    Expected to Ship in 5-8 Days
  • 20
    99103-MT8-0600 jet, slow (#60) Retail: $24.39 Price: $20.13
    Expected to Ship in 5-8 Days
Added to your cart
CLOSE