Acerbis Plastic Kits Starting At $119.99 Shop Now
CLOSE
Shipping to US Flag United States
Free shipping over $79
Fast Cash Week Ends Tomorrow | Earn $10 When you Spend $99 + $25 When You Spend $199 Shop Now

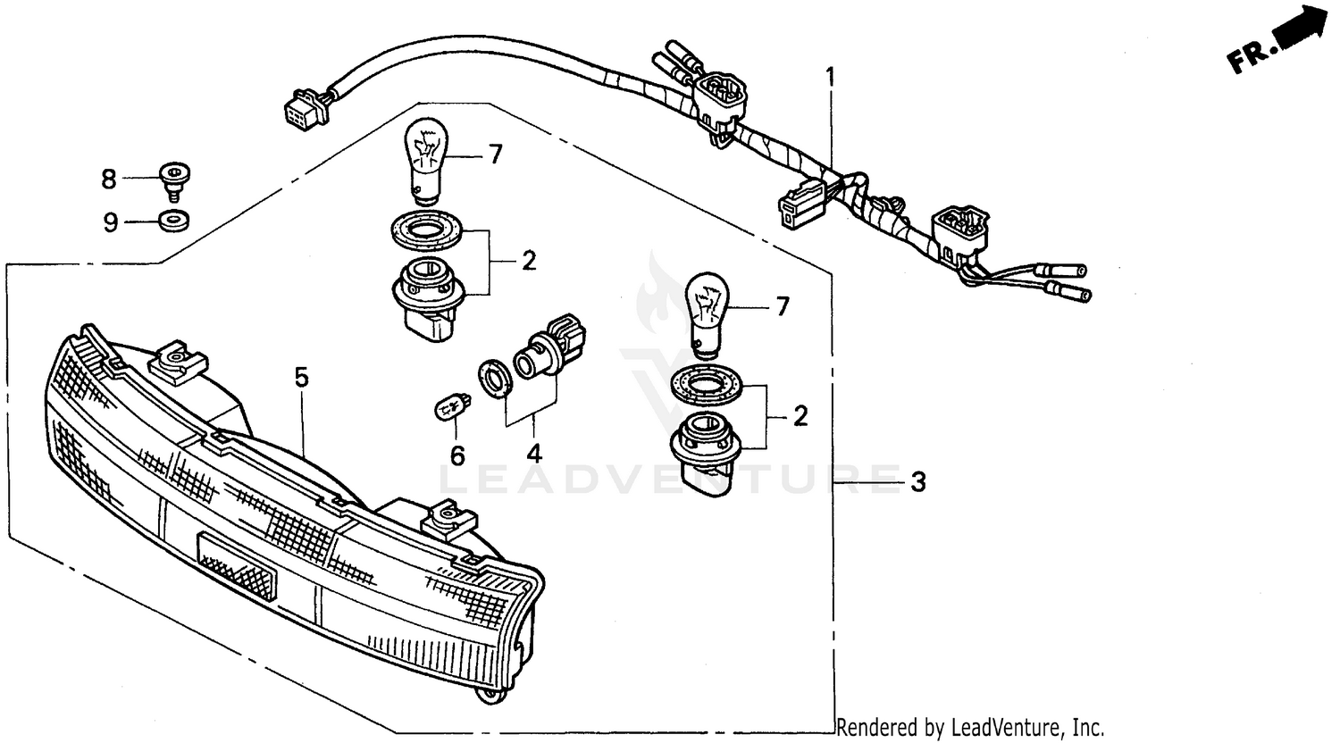
1990 Honda PC800 TAILLIGHT

Set this as my ride
TAILLIGHT

WARNING Cancer and Reproductive Harm www.P65Warnings.ca.gov.

  • # Part Retail Our Price
    Stock Status Suggested Quantity
  • 1
    32103-MR5-870 sub-harness, tail
    This part is currently unavailable.
  • 2
    33405-MR5-671 socket, bulb (3p)
    This part is currently unavailable.
  • 3
    33701-MR5-672 taillight unit (12v 3cp)
    This part is currently unavailable.
  • 4
    33705-MR5-671 socket, bulb (2p)
    This part is currently unavailable.
  • 5
    33710-MR5-672 lens, taillight
    This part is currently unavailable.
  • 6
    In Stock
  • 7
    34906-MG9-771 bulb, stop & taillight (12v 27/7w) Supersedes: 34906-341-671 (BULB, STOP & TAILLIGHT (12V 27) Price: $5.31
    Expected to Ship in 5-8 Days
  • 8
    90113-KAZ-000 bolt,flange,6x14 Supersedes: 90113-MR5-000 (SCREW, PAN (6X14))
    This part is currently unavailable.
  • 9
    90510-MR5-000 washer, sealing (8.5mm)
    This part is currently unavailable.
Added to your cart
CLOSE