Renthal Deal! Up To 10% Off Shop Now
CLOSE
Shipping to US Flag United States
Free shipping over $79
Moto Madness Sale | Get Up To 65% Off Parts & Gear Shop Now

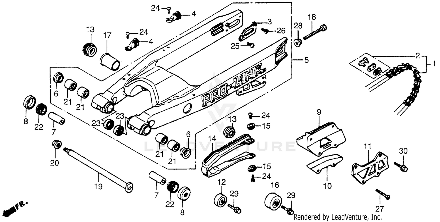
1988 Honda CR250 SWINGARM 88

Set this as my ride
SWINGARM 88

WARNING Cancer and Reproductive Harm www.P65Warnings.ca.gov.

  • # Part Retail Our Price
    Stock Status Suggested Quantity
  • 1
    405W3-KA4-505 chain, drive (Optional).
    This part is currently unavailable.
  • 1
    405W3-KA5-505 chain, drive
    This part is currently unavailable.
  • 1
    405W3-KA4-505 chain, drive (Optional). Supersedes: 40530-KA4-731 (CHAIN, DRIVE (RK520KZ) (114L) (RK EXCEL))
    This part is currently unavailable.
  • 1
    405W3-KA4-505 chain, drive (Optional). Supersedes: 40530-KA4-732 (CHAIN, DRIVE (520DS5-114L) (DAIDO))
    This part is currently unavailable.
  • 1
    405W3-KA4-505 chain, drive (Optional). Supersedes: 40530-KA4-733 (CHAIN, DRIVE (RK520KZ3X114L) (TAKASAGO))
    This part is currently unavailable.
  • 1
    405W3-KA5-505 chain, drive Supersedes: 40530-KA5-741 (CHAIN, DRIVE (RK520KZ-116L) (TAKASAGO))
    This part is currently unavailable.
  • 1
    405W3-KA5-505 chain, drive Supersedes: 40530-KA5-742 (CHAIN, DRIVE (DID520DS5-116L) (DAIDO))
    This part is currently unavailable.
  • 1
    405W3-KA5-505 chain, drive Supersedes: 40530-KA5-743 (CHAIN, DRIVE (RK520KZ3X116L) (TAKASAGO))
    This part is currently unavailable.
  • 2
    40531-KA4-731 master link (takasago)
    This part is currently unavailable.
  • 2
    40531-KA4-732 master link (daido)
    This part is currently unavailable.
  • 3
    42307-KS6-830 washer, rr. swingarm (inner)
    This part is currently unavailable.
  • 4
    43468-KS6-700 guide, rr. brake hose Retail: $13.31 Price: $10.98
    In Stock
  • 5
    52000-KS7-830 swingarm assy., rr. (wl)
    This part is currently unavailable.
  • 6
    52109-KS7-830 bush, pivot thrust
    This part is currently unavailable.
  • 7
    52141-KS7-830 collar, rr. swingarm
    This part is currently unavailable.
  • 8
    52144-KS7-831 cap, dust seal Supersedes: 52144-KS7-830 (CAP, DUST SEAL)
    This part is currently unavailable.
  • 8
    52144-KS7-831 cap, dust seal
    This part is currently unavailable.
  • 9
    52146-KS6-700 guide, chain
    This part is currently unavailable.
  • 10
    52147-KS6-701 slider, chain guide Retail: $30.27 Price: $24.97
    In Stock
  • 11
    52156-KS6-700 plate, chain guide (not available)
    This part is currently unavailable.
  • 12
    52158-KA3-831 roller, chain tensioner Retail: $60.12 Price: $49.90
    In Stock
  • 13
    In Stock
  • 14
    52170-KS7-830 slider, chain Retail: $49.53 Price: $40.86
    In Stock
  • 15
    52171-KR6-000 washer, chain slider Supersedes: 52171-KPS-900 (WASHER, CHAIN SLIDER) Price: $3.00
    In Stock
  • 16
    52175-KA3-831 roller, chain (upper)
    This part is currently unavailable.
  • 17
    52190-KS7-830 collar, guide
    This part is currently unavailable.
  • 18
    In Stock
  • 19
    90117-KS7-831 bolt, rr. swingarm Retail: $59.85 Price: $49.68
    In Stock
  • 20
    90301-KS7-830 nut, rr. swingarm pivot Retail: $13.55 Price: $11.17
    In Stock
  • 21
    91071-KS7-831 bearing, needle (22x28x20)
    This part is currently unavailable.
  • 22
    91253-KS7-831 dust seal (34x38.8x8)
    This part is currently unavailable.
  • 23
    91254-KS7-831 dust seal (22x28x5) Retail: $10.19 Price: $8.41
    In Stock
  • 24
    93500-05008-0A screw, pan (5x8) Supersedes: 93500-05008-1A (SCREW, PAN (5X8)) Price: $1.54
    In Stock
  • 25
    93500-06025-0A screw, pan (6x25) Supersedes: 93500-06025 (SCREW, PAN (6X25)) Price: $1.28
    Expected to Ship in 5-8 Days
  • 25
    93500-06025-0A screw, pan (6x25) Supersedes: 93500-06025 (SCREW, PAN (6X25)) Price: $1.28
    Expected to Ship in 5-8 Days
  • 26
    In Stock
  • 27
    In Stock
  • 28
    94050-08000 nut, flange (8mm) Supersedes: 90236-300-000 (NUT, FLANGE (8MM)) Price: $1.72
    In Stock
  • 29
    96300-08035-00 bolt, flange (8x35) Supersedes: 90109-KA3-730 (BOLT, FLANGE (8X35)) Price: $2.27
    Expected to Ship in 5-8 Days
  • 30
    96300-06020-00 bolt, flange (6x20) Supersedes: 96500-06020-00 (BOLT, FLANGE (6X20)) Price: $1.51
    Expected to Ship in 5-8 Days
  • 30
    96300-06020-00 bolt, flange (6x20) Supersedes: 96500-06020-00 (BOLT, FLANGE (6X20)) Price: $1.51
    Expected to Ship in 5-8 Days
Added to your cart
CLOSE