Kickstart your Riding Season with Bike Prep and Riding Gear Shop Now
CLOSE
Shipping to US Flag United States
Free shipping over $79
Moto Madness Sale | Get Up To 65% Off Parts & Gear Shop Now

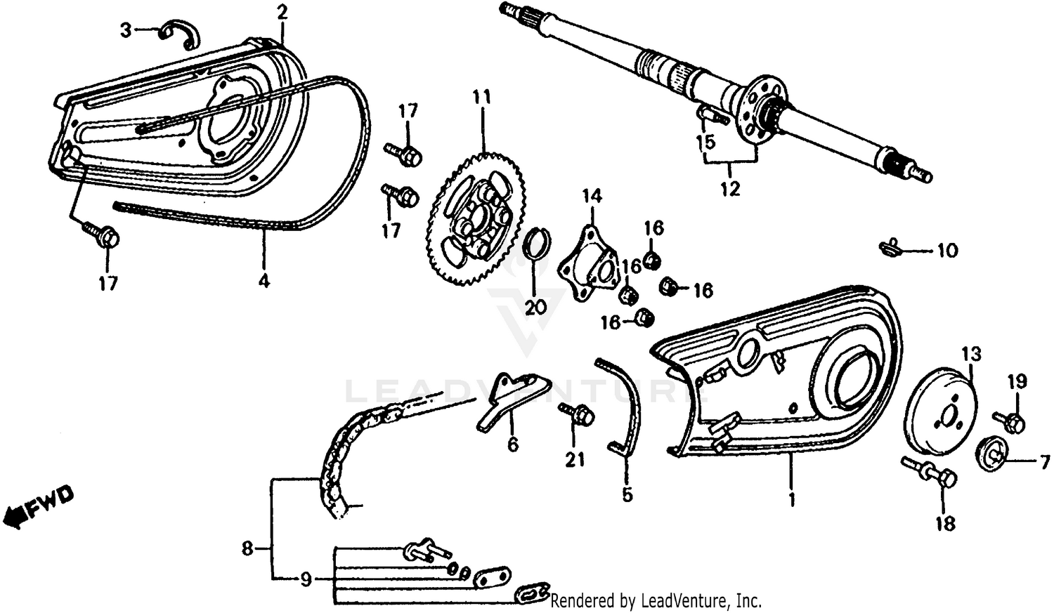
1986 Honda TRX125 REAR WHEEL AXLE + CHAIN CASE

Set this as my ride
REAR WHEEL AXLE + CHAIN CASE

WARNING Cancer and Reproductive Harm www.P65Warnings.ca.gov.

  • # Part Retail Our Price
    Stock Status Suggested Quantity
  • 1
    40521-VM6-680 case, chain (outer) (not available)
    This part is currently unavailable.
  • 2
    40522-VM6-000 case, inside chain (not available)
    This part is currently unavailable.
  • 3
    40523-VM6-000 spring, chain case setting (not available)
    This part is currently unavailable.
  • 4
    40524-VM6-000 seal, inside chain case (not available)
    This part is currently unavailable.
  • 5
    40525-VM6-000 seal b, chain case (not available)
    This part is currently unavailable.
  • 6
    40526-968-000 guide, chain (not available)
    This part is currently unavailable.
  • 7
    40529-958-010 cap, chain
    This part is currently unavailable.
  • 8
    Expected to Ship in 5-8 Days
  • 9
    40531-VM6-003 master link
    This part is currently unavailable.
  • 10
    40545-958-000 cap, chain
    This part is currently unavailable.
  • 11
    41200-VM6-000 sprocket assy., final (50t)
    This part is currently unavailable.
  • 12
    42310-968-680 axle, rr. wheel (not available)
    This part is currently unavailable.
  • 13
    42327-958-000 plate, shield (not available)
    This part is currently unavailable.
  • 14
    42330-958-671 flange, shield Retail: $24.44 Price: $20.16
    Expected to Ship in 5-8 Days
  • 15
    90128-961-000 bolt, sprocket fixing
    This part is currently unavailable.
  • 16
    90309-428-731 nut, flange (8mm) Supersedes: 90309-KF0-003 (NUT, FLANGE (8MM)) Price: $4.41
    In Stock
  • 17
    In Stock
  • 17
    93401-06012-08 bolt-washer (6x12) Supersedes: 93491-06012-08 (BOLT-WASHER (6X12)) Price: $1.79
    In Stock
  • 18
    Expected to Ship in 5-8 Days
  • 19
    Expected to Ship in 5-8 Days
  • 19
    93402-06010-08 bolt-washer (6x10) Supersedes: 93492-06010-08 (BOLT-WASHER (6X10)) Price: $1.94
    Expected to Ship in 5-8 Days
  • 20
    94564-42100 ring, snap (42mm) (not available)
    This part is currently unavailable.
  • 21
    96001-06012-00 bolt, flange (6x12) Supersedes: 96000-06012-00 (BOLT, FLANGE (6X12)) Price: $1.97
    In Stock
  • 21
    96001-06012-00 bolt, flange (6x12) Supersedes: 96000-06012-00 (BOLT, FLANGE (6X12)) Price: $1.97
    In Stock
Added to your cart
CLOSE