Kickstart your Riding Season with Bike Prep and Riding Gear Shop Now
CLOSE
Shipping to US Flag United States
Free shipping over $79
My Ride: 2017 Can-Am OUTLANDER 850
Moto Madness Sale | Get Up To 65% Off Parts & Gear Shop Now

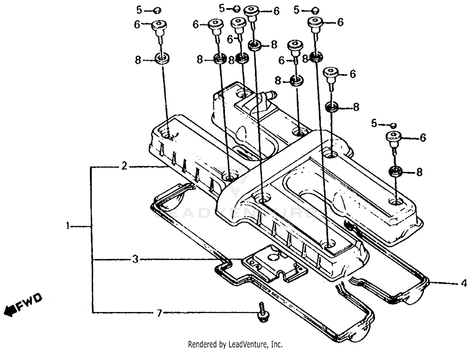
1986 Honda CB650 CYLINDER HEAD COVER

Set this as my ride
CYLINDER HEAD COVER

WARNING Cancer and Reproductive Harm www.P65Warnings.ca.gov.

  • # Part Retail Our Price
    Stock Status Suggested Quantity
  • 1
    12305-MJ1-780 cover assy., cylinder head (not available)
    This part is currently unavailable.
  • 3
    12311-MJ0-601 plate, breather Supersedes: 12311-MJ0-600 (PLATE, BREATHER)
    This part is currently unavailable.
  • 3
    12311-MJ0-601 plate, breather
    This part is currently unavailable.
  • 4
    12391-MJ0-000 gasket, cylinder head cover
    This part is currently unavailable.
  • 5
    In Stock
  • 6
    90002-MJ0-000 bolt, special (6x24) Retail: $11.94 Price: $9.86
    Expected to Ship in 5-8 Days
  • 7
    In Stock
  • 8
    90543-MV9-670 rubber, setting Supersedes: 90543-KRM-840 (RUBBER, SETTING) Price: $6.32
    In Stock
  • 8
    90543-MV9-670 rubber, setting Supersedes: 90543-KRM-840 (RUBBER, SETTING) Price: $6.32
    In Stock
Added to your cart
CLOSE