Kickstart your Riding Season with Bike Prep and Riding Gear Shop Now
CLOSE
Shipping to US Flag United States
Free shipping over $79
My Ride: 2017 Can-Am OUTLANDER MAX 650 DPS
Moto Madness Sale | Get Up To 65% Off Parts & Gear Shop Now

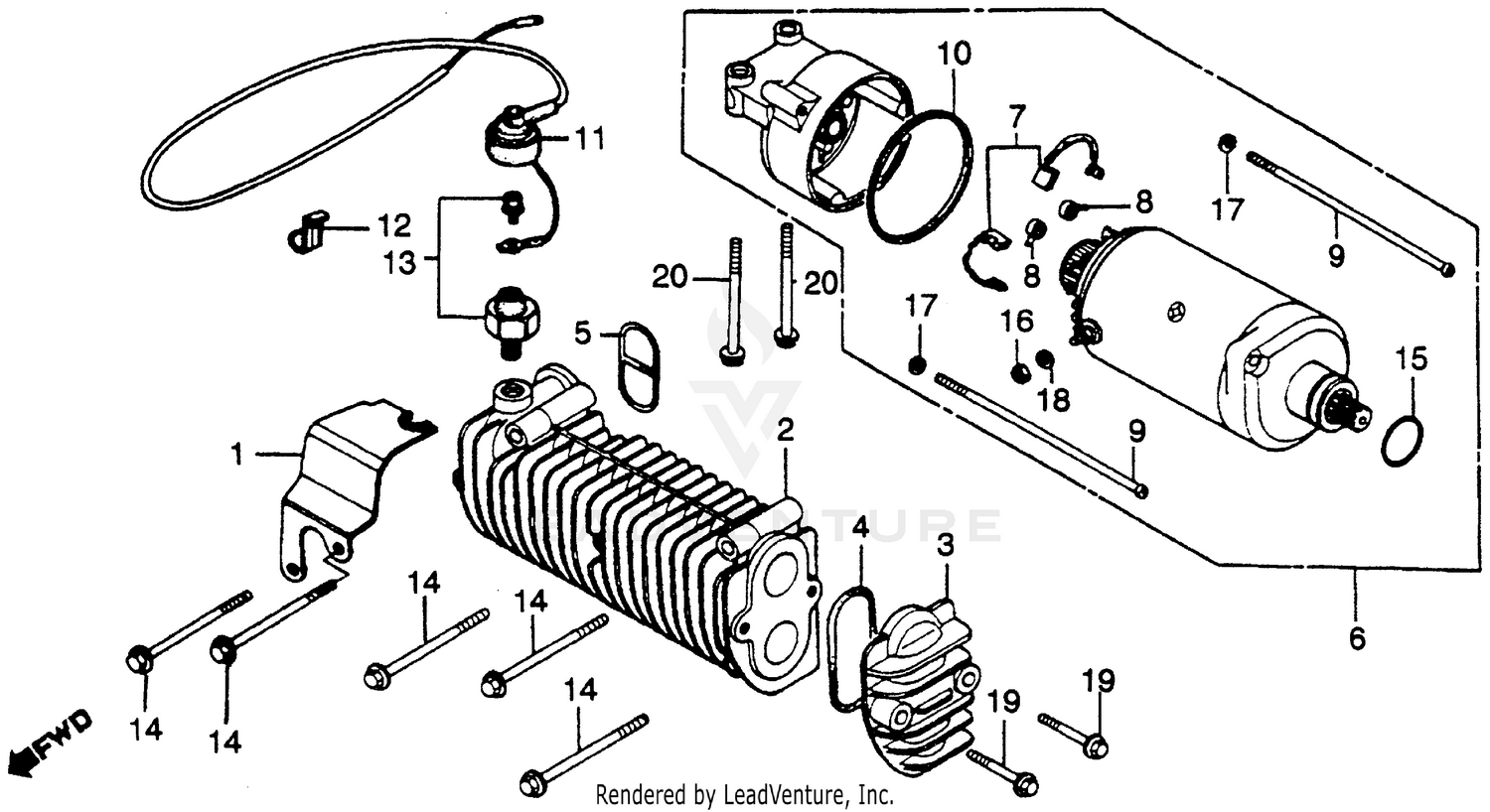
1986 Honda CB450 STARTER MOTOR + OIL COOLER

Set this as my ride
STARTER MOTOR + OIL COOLER

WARNING Cancer and Reproductive Harm www.P65Warnings.ca.gov.

  • # Part Retail Our Price
    Stock Status Suggested Quantity
  • 1
    11711-MC0-000 protector, pressure switch (not available)
    This part is currently unavailable.
  • 2
    15811-MC0-000 cooler, oil (not available)
    This part is currently unavailable.
  • 3
    15812-MC0-000 cap, oil cooler (not available)
    This part is currently unavailable.
  • 4
    15911-417-000 gasket, oil cooler cap (not available)
    This part is currently unavailable.
  • 5
    15912-MC0-000 gasket, oil cooler
    This part is currently unavailable.
  • 6
    31200-MC0-673 motor assy., starter Supersedes: 31200-MC0-671 (MOTOR ASSY., STARTER (NOT AVAILABLE))
    This part is currently unavailable.
  • 6
    31200-MC0-673 motor assy., starter Supersedes: 31200-MC0-672 (MOTOR ASSY., STARTER (NOT AVAILABLE))
    This part is currently unavailable.
  • 6
    31200-MC0-673 motor assy., starter
    This part is currently unavailable.
  • 7
    31201-230-174 brush set (mitsuba)
    This part is currently unavailable.
  • 8
    31204-230-174 spring, brush Supersedes: 31204-225-154 (SPRING, BRUSH)
    This part is currently unavailable.
  • 8
    31204-230-174 spring, brush
    This part is currently unavailable.
  • 9
    31205-413-780 bolt, starter motor cover
    This part is currently unavailable.
  • 10
    Expected to Ship in 5-8 Days
  • 11
    32111-MC9-740 cable, oil pressure switch sub (not available)
    This part is currently unavailable.
  • 12
    32185-413-000 clip, engine wire harness (not available)
    This part is currently unavailable.
  • 13
    35500-MJ4-024 switch assy., oil pressure (denso) Supersedes: 35500-MJ4-014 (SWITCH ASSY., OIL PRESSURE (DENSO)) Retail: $51.42 Price: $42.68
    Expected to Ship in 5-8 Days
  • 13
    35500-MJ4-024 switch assy., oil pressure (denso) Supersedes: 35500-MJ4-014 (SWITCH ASSY., OIL PRESSURE (DENSO)) Retail: $51.42 Price: $42.68
    Expected to Ship in 5-8 Days
  • 14
    90035-MC0-000 bolt, flange (6x85) (not available)
    This part is currently unavailable.
  • 15
    91312-MG7-003 o-ring (24.4x3.1) Supersedes: 91309-425-003 (O-RING (24.4X3.1)) Price: $8.38
    In Stock
  • 15
    91312-MG7-003 o-ring (24.4x3.1) Supersedes: 91309-425-003 (O-RING (24.4X3.1)) Price: $8.38
    In Stock
  • 16
    94002-06000-0S nut, hex. (6mm) Supersedes: 94002-06000 (NUT, HEX. (6MM)) Price: $1.44
    Expected to Ship in 5-8 Days
  • 16
    94002-06000-0S nut, hex. (6mm) Supersedes: 94002-06000 (NUT, HEX. (6MM)) Price: $1.44
    Expected to Ship in 5-8 Days
  • 17
    In Stock
  • 18
    In Stock
  • 19
    95700-06028-00 bolt, flange (6x28)
    This part is currently unavailable.
  • 19
    95701-06028-00 bolt, flange (6x28) Supersedes: 95700-06028-00 (BOLT, FLANGE (6X28)) Price: $2.00
    In Stock
  • 20
    95701-06060-00 bolt, flange (6x60) Supersedes: 95700-06060-00 (BOLT, FLANGE (6X60)) Price: $0.63
    In Stock
  • 20
    95701-06060-00 bolt, flange (6x60) Supersedes: 95700-06060-00 (BOLT, FLANGE (6X60)) Price: $0.63
    In Stock
Added to your cart
CLOSE