Kickstart your Riding Season with Bike Prep and Riding Gear Shop Now
CLOSE
Shipping to US Flag United States
Free shipping over $79
Bargain Bin Blowout! | Save 40-90% Off! Shop Now

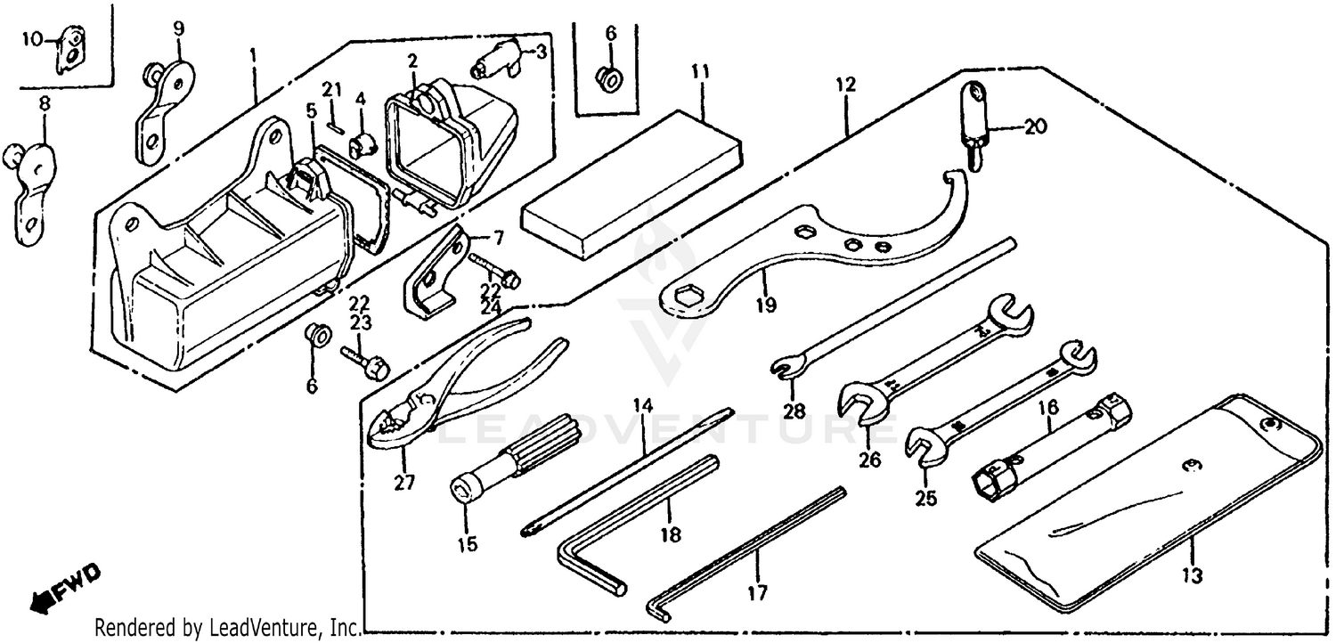
1986 Honda ATC350X TOOLS

Set this as my ride
TOOLS

WARNING Cancer and Reproductive Harm www.P65Warnings.ca.gov.

  • # Part Retail Our Price
    Stock Status Suggested Quantity
  • 1
    83500-HB6-670 box assy., tool Supersedes: 83500-VM6-680 (BOX ASSY., TOOL)
    This part is currently unavailable.
  • 2
    83505-VM6-680 cap, tool box
    This part is currently unavailable.
  • 3
    83507-965-000 body, knob
    This part is currently unavailable.
  • 4
    83508-965-000 stopper, key body
    This part is currently unavailable.
  • 5
    83510-VM6-680 seal, tool box
    This part is currently unavailable.
  • 6
    83511-VM6-680 collar, tool box setting Use up to Frame SN GM110531
    This part is currently unavailable.
  • 6
    83511-VM6-680 collar, tool box setting Use from Frame SN GM110532
    This part is currently unavailable.
  • 7
    83512-HA5-670 collar, tool box setting (not available) Use from Frame SN GM110532
    This part is currently unavailable.
  • 8
    83513-HA5-670 stay a, tool box (not available)
    This part is currently unavailable.
  • 9
    83514-HA5-670 stay b, tool box (not available)
    This part is currently unavailable.
  • 12
    89010-HA5-670 tool set
    This part is currently unavailable.
  • 13
    89101-ME5-670 bag, tool Supersedes: 89101-MC7-000 (BAG, TOOL)
    This part is currently unavailable.
  • 14
    Expected to Ship in 5-8 Days
  • 15
    Expected to Ship in 5-8 Days
  • 16
    89213-968-000 wrench, box (18x17)
    This part is currently unavailable.
  • 17
    89221-HA2-670 wrench, hex. (6mm)
    This part is currently unavailable.
  • 18
    89222-371-000 wrench, hex. (8mm)
    This part is currently unavailable.
  • 20
    89301-VM6-682 gauge, tire pressure (riken)
    This part is currently unavailable.
  • 21
    Expected to Ship in 5-8 Days
  • 22
    95801-08050-00 bolt, flange (8x50) Supersedes: 96400-08050-00 (BOLT, FLANGE (8X50)) Price: $3.82
    In Stock
  • 22
    95801-08050-00 bolt, flange (8x50) Supersedes: 96400-08050-00 (BOLT, FLANGE (8X50)) Price: $3.82
    In Stock
  • 22
    95801-08050-00 bolt, flange (8x50) Supersedes: 96400-08050-00 (BOLT, FLANGE (8X50)) Price: $3.82
    In Stock
  • 25
    Expected to Ship in 5-8 Days
  • 26
    Expected to Ship in 5-8 Days
  • 27
    89210-GBJ-J10 pliers (135) (kowa) Supersedes: 99002-13500 (PLIERS (135) (KOWA)) Retail: $15.97 Price: $14.38
    Expected to Ship in 5-8 Days
  • 28
    Expected to Ship in 5-8 Days
Added to your cart
CLOSE