Kickstart your Riding Season with Bike Prep and Riding Gear Shop Now
CLOSE
Shipping to US Flag United States
Free shipping over $79
Bargain Bin Blowout! | Save 40-90% Off! Shop Now

1990 HONDA GOLD WING - GL1500 OEM Parts

Set this as my ride

View all parts for your 1990 HONDA GOLD WING - GL1500

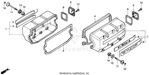
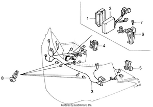
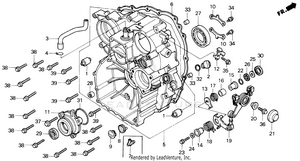
AIR CLEANER AIR CLEANER CASE SET 90 AIR DISTRIBUTOR AIR DUCT AIR DUCT SET 90 AIR PUMP EXCEPT I ALTERNATOR BATTERY '90-'91 EXCEPT I CANISTER (AC) 89-90 CARBURETOR (ASSEMBLY) CARBURETOR (COMPONENTS) CHAMBER PROTECTOR CLUTCH CLUTCH COVER CLUTCH MASTER CYLINDER COMBINATION METER SET 90 CONTROL UNIT SET 90 COOLING FAN COWL STAY 90-91 COWL STAY SET 90 CRUISE VALVE EXCEPT I CYLINDER BLOCK CYLINDER HEAD CYLINDER HEAD COVER ENGINE GUARD EXHAUST MUFFLER EXCEPT SE FAIRING FAIRING HARNESS SET 90 FAIRING SUB HARNESS FINAL DRIVEN GEAR FINAL GEAR SHAFT FRAME FRAME SET 90 FRONT BRAKE CALIPER FRONT BRAKE MASTER CYLINDER FRONT COVER FRONT FENDER FRONT FENDER SET 90 FRONT FORK EXCEPT I FRONT WHEEL FRONT WHEEL COVER FUEL TANK FUEL TANK SET 90 GASKET KIT A GASKET KIT B GEARSHIFT FORK HANDLE SWITCH EXCEPT I HANDLEBAR HEADLIGHT HEADLIGHT SET 90 IGNITION COIL LUGGAGE BAG STAY SET 90 METER PANEL METER PANEL SET 90 OIL PUMP PEDAL PISTON PRIMARY DRIVE GEAR RADIATOR RADIATOR SET 90 RADIO CASSETTE REAR BRAKE CALIPER REAR BRAKE MASTER CYLINDER REAR CASE REAR FENDER REAR FENDER B SET 90 REAR WHEEL 90-91 RESERVE TANK REVERSE BAR REVERSE GEAR SADDLEBAG SADDLEBAG BODY SET 90 SADDLEBAG LID SET 90 SCREEN GARNISH SET 90 SEAT SHELTER EXCEPT I SHOCK ABSORBER SIDE COVER SIDE COVER SET 90 SIDE SHELTER SET 90 SOLENOID VALVE 90-91 SOLENOID VALVE SET 90 SPEEDOMETER + TACHOMETER STARTING MOTOR 90-91 STEERING STEM STEP EXCEPT SE/I SUB FRAME SET 90 SWINGARM TOOL BAND SET 90 TOOLS EXCEPT I TOP SHELTER SET 90 TRANSMISSION TRANSMISSION COVER TRUNK ARMREST SET 90 TRUNK BOX TRUNK BOX SET 90 TRUNK LIGHT TRUNK LOWER COVER SET 90 TRUNK OPENER SET 90 TRUNK POCKET SET 90 TUBING (1) 90 TUBING (2) 90-91 VALVE WATER PIPE 90-91 WATER PUMP WIND SCREEN EXCEPT SE WIRE HARNESS EXCEPT I