Acerbis Plastic Kits Starting At $119.99 Shop Now
CLOSE
Shipping to US Flag United States
Free shipping over $79
Fast Cash Week Ends Today! | Earn $10 When you Spend $99 + $25 When You Spend $199 Shop Now

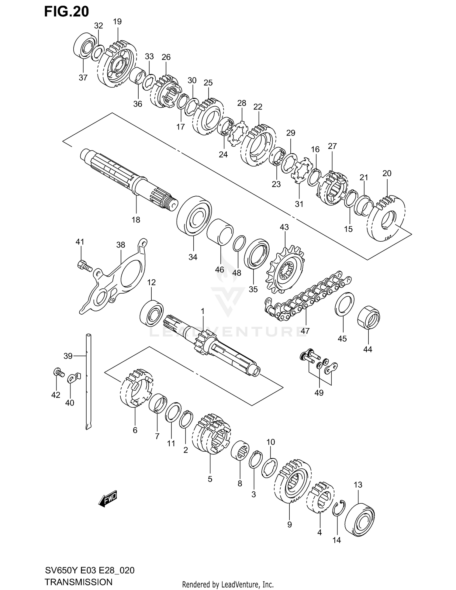
2000 Suzuki SV650 TRANSMISSION

Set this as my ride
TRANSMISSION

WARNING Cancer and Reproductive Harm www.P65Warnings.ca.gov.

All 2000 Suzuki SV650 Part Groups
Added to your cart
CLOSE