Tire Rebates! Get Up To $70 Back Shop Now
CLOSE
Shipping to US Flag United States
Free shipping over $79
Moto Madness Sale | Get Up To 65% Off Parts & Gear Shop Now

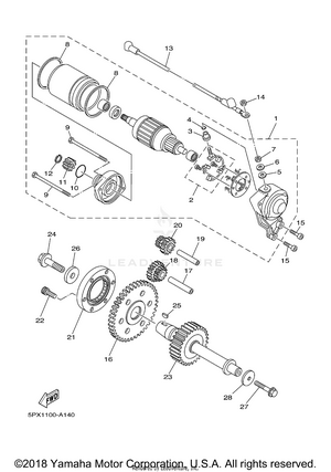
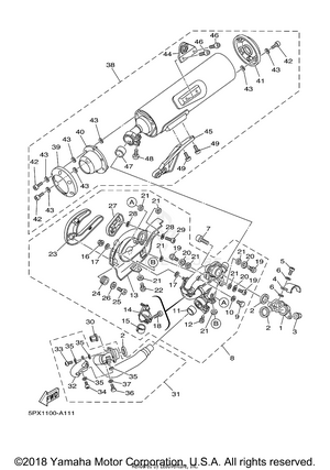
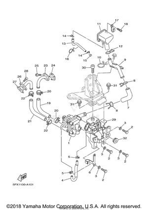
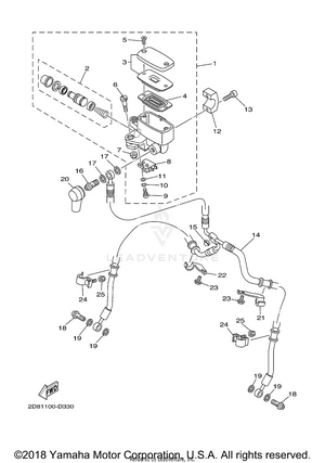
2008 Yamaha ROAD STAR 1700 WARRIOR - XV17PC OEM Parts

Set this as my ride