Kickstart your Riding Season with Bike Prep and Riding Gear Shop Now
CLOSE
Shipping to US Flag United States
Free shipping over $79
Moto Madness Sale | Get Up To 65% Off Parts & Gear Shop Now

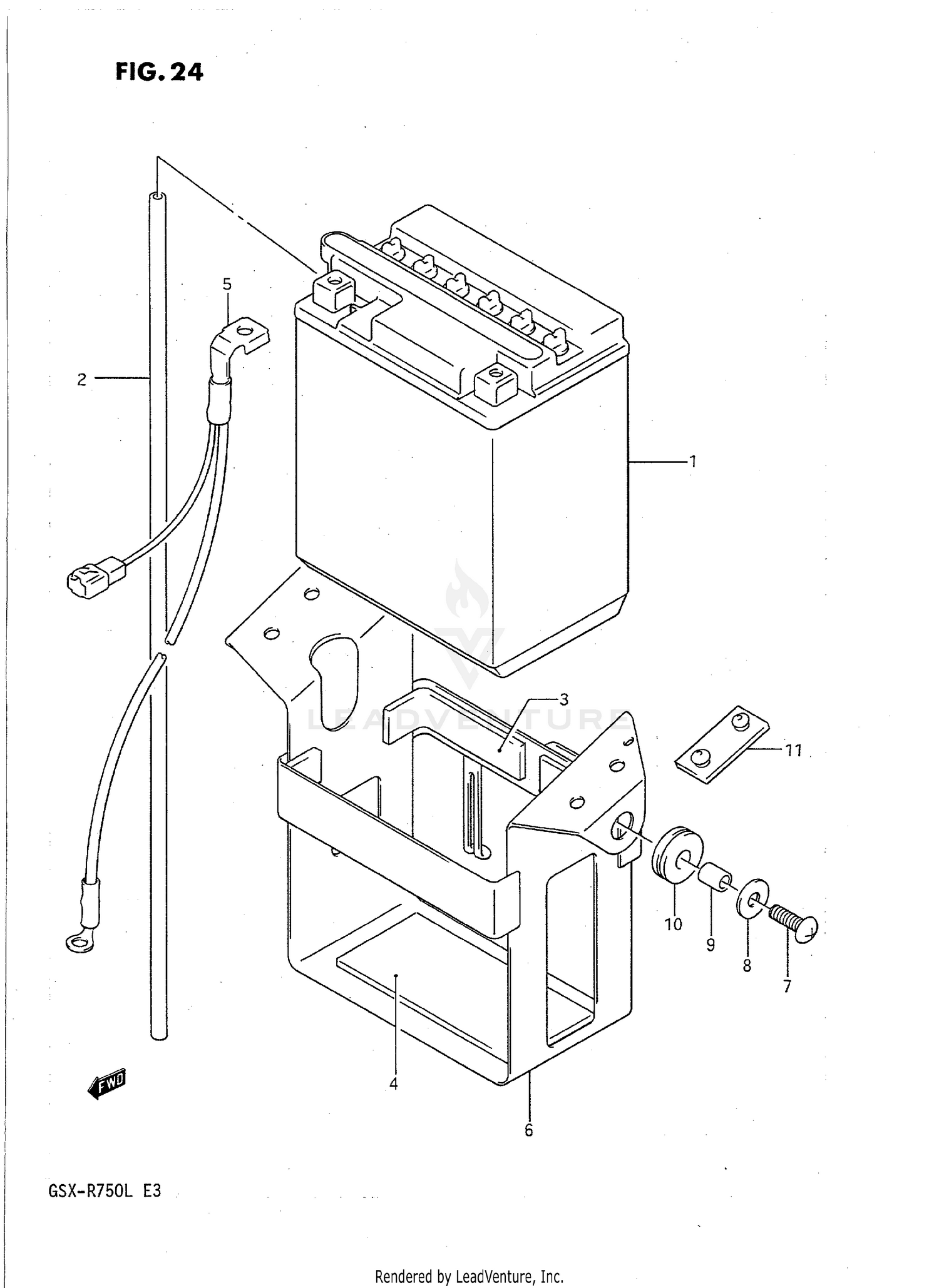
1990 Suzuki GSXR750L BATTERY

Set this as my ride
BATTERY

WARNING Cancer and Reproductive Harm www.P65Warnings.ca.gov.

  • # Part Retail Our Price
    Stock Status Suggested Quantity
  • 1
    33610-49210 battery (12v,14ah) Supersedes: 33610-49600 (BATTERY (12V,14AH)) Retail: $156.58 Price: $133.09
    Expected to Ship in 4-9 Days
  • 2
    33680-16A11 hose,battery ex L:700->650 Supersedes: 33680-14A00 (HOSE, BATTERY EXHAUST) Price: $8.43
    Expected to Ship in 4-9 Days
  • 3
    33651-37000 cushion, rear fender rear Supersedes: 33652-29100 (PROTECTOR (170X95X3.0)) Price: $6.36
    In Stock
  • 4
    33651-37000 cushion CUT AS REQUIRED PROFILE(50X115) Supersedes: 33652-29100 (PROTECTOR (170X95X3.0)) Price: $6.36
    In Stock
  • 5
    33860-06B12 wire,batt minus Supersedes: 33860-17C01 (LEAD WIRE (-)) Retail: $26.85 Price: $25.24
    Expected to Ship in 4-9 Days
  • 6
    41540-17C02 holder, battery Supersedes: 41540-17C01 (HOLDER, BATTERY)
    This part is currently unavailable.
  • 7
    09125-06055 screw, body cover upper Supersedes: 09125-06038 (SCREW (6X25)) Price: $3.28
    Expected to Ship in 4-9 Days
  • 8
    09160-06084 washer Supersedes: 09160-06006 (WASHER (6.5X18X1.6)) Price: $2.47
    In Stock
  • 9
    09180-06262 spacer Supersedes: 09180-06152 (SPACER (6.4X9X8.5)) Price: $3.44
    In Stock
  • 10
    09320-09502 cushion Supersedes: 09320-09021 (CUSHION) Retail: $5.05 Price: $0.77
    In Stock
  • 11
    Expected to Ship in 4-9 Days
All 1990 Suzuki GSXR750L Part Groups
Added to your cart
CLOSE