Get Out and Ride | Dialed Gear. Tuned Parts. Dirt Ready. Shop Now
CLOSE
Shipping to US Flag United States
Free shipping over $79
BOGOS | Buy One Get One Deals Shop Now

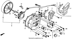
1987 Honda XR600R OEM Parts

Set this as my ride