Kickstart your Riding Season with Bike Prep and Riding Gear Shop Now
CLOSE
Shipping to US Flag United States
Free shipping over $79
Fast Cash Week | Earn $10 When you Spend $99 + $25 When You Spend $199 Shop Now

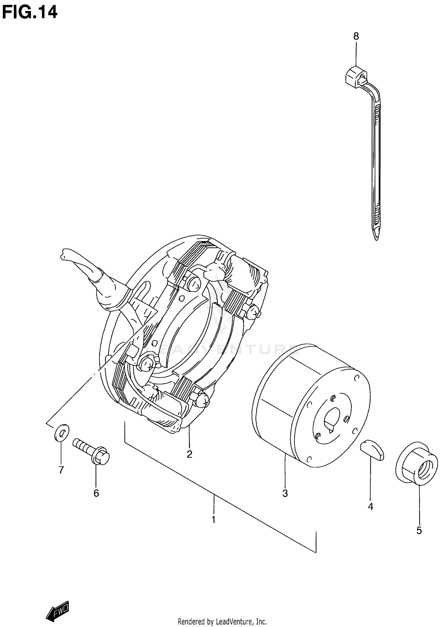
2000 Suzuki RM80 MAGNETO

Set this as my ride
MAGNETO

WARNING Cancer and Reproductive Harm www.P65Warnings.ca.gov.

  • # Part Retail Our Price
    Stock Status Suggested Quantity
  • 1
    32100-02B32 magneto assy Includes Item(s) 2 - 3 Supersedes: 32100-02B31 (MAGNETO ASSY) Retail: $775.83 Price: $651.70
    Expected to Ship in 4-9 Days
  • 2
    32101-02B32 stator Supersedes: 32101-02B31 (STATOR) Retail: $466.63 Price: $391.97
    Expected to Ship in 4-9 Days
  • 3
    32102-02B31 rotor Supersedes: 32102-02B30 (ROTOR) Retail: $426.63 Price: $358.37
    Expected to Ship in 4-9 Days
  • 4
    09420-04008 key Price: $4.78
    In Stock
  • 5
    08316-1010B nut Supersedes: 08316-10103 (NUT) Price: $3.69
    In Stock
  • 6
    01547-0620B ..bolt Supersedes: 01547-06203 (BOLT) Price: $3.38
    In Stock
  • 7
    08322-0106B .washer Supersedes: 08322-21064 (WASHER) Price: $3.13
    In Stock
  • 8
    09407-14403 clamp (l:125) Supersedes: 09407-08401 (CLAMP (L:125)) Price: $3.13
    In Stock
  • 8
    09407-18402 clamp (l:165) Supersedes: 09407-18403 (CLAMP (L:165)) Price: $3.08
    In Stock
Added to your cart
CLOSE