Acerbis Plastic Kits Starting At $119.99 Shop Now
CLOSE
Shipping to US Flag United States
Free shipping over $79
Fast Cash Week Ends Today! | Earn $10 When you Spend $99 + $25 When You Spend $199 Shop Now

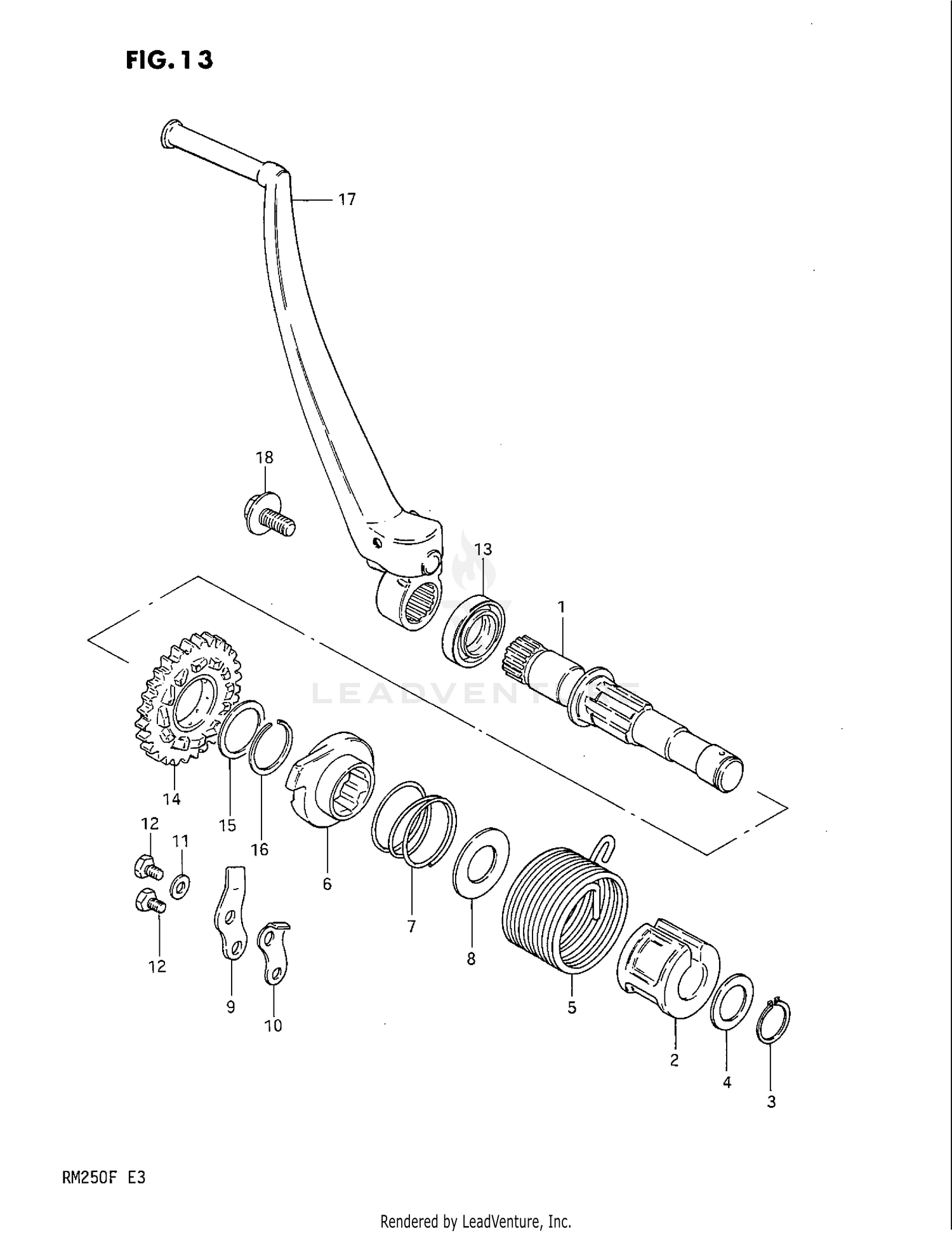
1985 Suzuki RM250 KICK STARTER

Set this as my ride
KICK STARTER

WARNING Cancer and Reproductive Harm www.P65Warnings.ca.gov.

Added to your cart
CLOSE